38 bolens 11a-020w765 carburetor diagram
11A-020W765 (2014) Bolens Lawn Mower - Overview Sections Parts Questions & Answers Instructions. Sections of the 11A-020W765 [Viewing 1 of 1] Page. Parts for the 11A-020W765 [Viewing 10 of 46] Keep searches simple, eg. "belt" or "pump". Control Cable, 37.58", 148Cc Engine ... David for model number 11a-020w765 asked on 2019-08-15 Hello David, thank you for writing. We would be happy to look into this, but we will need the model number for the lawn mower's engine to do so.
Bolens Bolens Exploded View parts lookup by model. Complete exploded views of all the major manufacturers. ... Bolens Bolens Parts Diagrams 11-Push Walk-Behind Mowers. 12-Self-Propelled Walk-Behind Mowers. 13-Lawn Tractors. 14-Garden Tractors. 18-Electric Mowers. 21-Tillers. 24-Log Splitters. 25-Edgers. 31-Snow Throwers. 41-Handheld Products ...

Bolens 11a-020w765 carburetor diagram
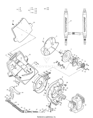
This item: BMotorParts Carburetor Carb Assembly for Bolens Walk Behind Mower Model# 11A-020W765. $32.99. In Stock. Ships from and sold by bmotorparts. $6.99 shipping. HOOAI Carburetor For 799866 790845 799871 796707 794304 Toro Craftsman Engine. $10.98. In Stock. Replaces Bolens Lawn Mower Model 11A-020W765 Carburetor Bolens Lawn Mower Model 11A-020W765 Shown In Pictures. 1 Year Replacement Warranty! Replace your carburetor if your machine starts up on choke then dies, if it starts with starting fluid then dies or if it needs choke on to run. It's also a good idea to replace your […] General Assembly diagram and repair parts lookup for Bolens 11A-020W765 - Bolens Walk-Behind Mower (2015)
Bolens 11a-020w765 carburetor diagram. Bolens Lawn Mower parts that fit, straight from the manufacturer. Use our interactive diagrams, accessories, and expert repair help to fix your Bolens Lawn Mower . ... 11A-020W765 (2014) Bolens Lawn Mower Parts 11A-074D765 (2005) Bolens Push Walk-Behind Mower Parts 11A-074D765 ... Ryobi 11A-B0BL765 (2015) Exploded View parts lookup by model. Complete exploded views of all the major manufacturers. It is EASY and FREE Bolens 20-in gas push mower features a lightweight, compact design for easy maneuverability. 125cc Briggs and Stratton engine delivers 4.5-ft lbs of torque and offers reliable performance every time you mow. 3-position height adjustment offers a cutting height range of 1.25-in to 3.75-in This item: Lumix GC Carburetor For Bolens 11A-020W765 Lawn Mowers 125cc 20inch. $33.95. In stock. Usually ships within 2 to 3 days. Ships from and sold by Lumix Parts Deals Outlet. $6.62 shipping. HIGHFINE Gas Tank Fuel Switch Valve Pump Petcock for Chinese Gasoline Generator 5.5hp 6.5hp 7hp 8hp 9hp 11hp 13hp 14h 15hp 16hp 168F 163CC 196CC 170F ...
Replaces Bolens Lawn Mower Model 11A-414A065 Maintenance Kit $ 59.95 $ 39.95 FREE SHIPPING! 4.8⭐⭐⭐⭐⭐ Add to cart; Replaces Bolens Lawn Mower Model 13AM761F065 Mulching Blades Set Of Two $ 73.79 $ 53.79 FREE SHIPPING! 4.8⭐⭐⭐⭐⭐ Add to cart; Replaces Bolens Lawn Mower Model 11A-020W765 Carburetor Ryobi 11A-020W765 (2016) Parts Diagrams. 3+ Million Parts. 365 Day Returns. Fast 2-4 Day Shipping. Order Status. Get Support. 1-877-737-2787. Hourse of Operation. M-F 9a-6p ET. Step by step instructions to change a bad carburetor for the Bolens by mtd. Mine is a 15.5 HP QuickView. Mulching, Bagging and Side Discharging Blade for 21-inch Cutting Decks. CMXGZAM100067. $23.99. Add to Cart. In Stock. QuickView. Blade Adapter - 1.19" x 7/8" Inside Dia. 748-0376E.
Use our part lists, interactive diagrams, accessories and expert repair advice to make your repairs easy. Please note shipping times may be longer than expected due to carrier delays. 877-346-4814. Departments Accessories ... Accessories for the Bolens 11A-020L765. Questions & Answers. Sort by what part do I need to purge gas to the carburator ... As usual just needed a full tune up to get it going again.Disclaimer:Due to factors beyond the control of Hank's Garage, I cannot guarantee against improper ... This video will show you how to clean a Briggs & Stratton 125cc Carburetor. This video is actually a small section taken from the full video of the "found a ... Ryobi 11A-020W765 (2015) Exploded View parts lookup by model. Complete exploded views of all the major manufacturers. It is EASY and FREE
Carburetor Carburetor Diaphragm Carburetor Repair Kit Float Needle Primer Bulb Popular Models 11A-074E065/2007 11A-414A065/2007 11A-506L163 13AG683G163 13AM662F163 13AM662F765 13AM761F065 13AM762F765/2005 13AN683G163 11A-414A065/2010 11A-A14A065 13WC762F065/2011 11A-020W765 11A-B0BL765 445
Bolens Lawn Mower Model 11A-020W765 Parts. Bolens Lawn Mower Model 11A-020W765 Parts are easily labeled on this page to help you find the correct component for your repair. Filter results by category, title and symptom. You can also view diagrams and manuals, review common problems that may help answer your questions, watch related videos, read insightful articles or use our repair help guide ...
Parts lookup and repair parts diagrams for outdoor equipment like Toro mowers, Cub Cadet tractors, Husqvarna chainsaws, Echo trimmers, Briggs engines, etc. The Right Parts, Shipped Fast! ... 11A-020W765 - Bolens Walk-Behind Mower (2017) 11A-020W765 - Bolens Walk-Behind Mower (2020) 11A-020W765 - Bolens Walk-Behind Mower (2021)
carb filter lines etchttps://amzn.to/3hUgfuMcarb cleanerhttps://amzn.to/33b40G3todays t-shirt brought to you by YOUR NAME HEREhttps://amzn.to/2CYKUZkif this ...
Find Parts by Diagram. Find all the genuine replacement parts for Bolens on our Parts Diagram. We carry everything for your machine and the Parts Diagram helps visualize every component found in your equipment. Give it a try and if you can't find what you are looking for or need assistance installing the new part, call 1-800-269-6215 today.
11A-020B065 - Bolens Walk-Behind Mower (2009)Parts & DiagramsParts Lists & Diagrams.
Bolens repair parts and parts diagrams for Bolens 11A-020W765 - Bolens Walk-Behind Mower (2015)
The best way to find parts for Bolens push walk-behind mower model 11A-020W765 / 2015 is by clicking one of the diagrams below. You can also browse the most common parts for Bolens push walk-behind mower model 11A-020W765 / 2015.
About Press Copyright Contact us Creators Advertise Developers Terms Privacy Policy & Safety How YouTube works Test new features Press Copyright Contact us Creators ...
Bolens 20" Push Mower. Model: 11A-020W765. The Bolens 20'' Push Mower is a lightweight, compact machine that is easily maneuverable. Features include a 125cc Briggs & Stratton engine, 20-inch deck size, 3-position height adjustment and 7'' front and rear wheels. All with a 1-Year Limited Warranty.
General Assembly diagram and repair parts lookup for Bolens 11A-020W765 - Bolens Walk-Behind Mower (2015)
Replaces Bolens Lawn Mower Model 11A-020W765 Carburetor Bolens Lawn Mower Model 11A-020W765 Shown In Pictures. 1 Year Replacement Warranty! Replace your carburetor if your machine starts up on choke then dies, if it starts with starting fluid then dies or if it needs choke on to run. It's also a good idea to replace your […]
This item: BMotorParts Carburetor Carb Assembly for Bolens Walk Behind Mower Model# 11A-020W765. $32.99. In Stock. Ships from and sold by bmotorparts. $6.99 shipping. HOOAI Carburetor For 799866 790845 799871 796707 794304 Toro Craftsman Engine. $10.98. In Stock.
0 Response to "38 bolens 11a-020w765 carburetor diagram"
Post a Comment