Iklan 300x250

37 stihl sh56c parts diagram

Genuine and Aftermarket Spares for Stihl SH56, SH86 Vacuum Shredder Spare Parts, Parts in Stock ready for Next Day Delivery. Shop by diagram Carburetor C1M-S260 Assembly for Stihl SH56 SH86 Shredder

Stihl BG 56 Blower (BG56C-EZ) Parts Diagram Select a page from the Stihl BG 56 Blower diagram to view the parts list and exploded view diagram. All parts that fit a BG 56 Blower . Pages in this diagram. Air filter. Ignition system. Gutter cleaning. Fan housing. Fan housing outer.

Stihl SH 86 Blow-Vac (SH86C-E) Parts Diagram Select a page from the Stihl.. Parts 4 Outdoor Stihl 25-2 Trimmer Head Rebuild KIT FS 44 55 80 83 85 90 100 110 120 ... STIHL FS 75 Trimmer Owners Manual SKU UPC Model. ...

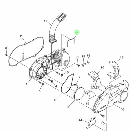
Stihl sh56c parts diagram

Stihl sh56c parts diagram

STIHL SCREW P6, OX25-T27. $5.99. Add to Wish List. Add to Cart. Add to Compare. #QS 9074 477 4438. STIHL PAN HEAD SELF TAPPING SCREW. $5.99. Add to Wish List.

The Stihl SH86C-E Blower-Vac is a high powered leaf blower and garden vac and perfect for the larger garden. The garden vacs include an anti-vibration system for long periods of use and variable speed control with throttle holding lever. Transforms from a garden vacuum into a leaf blower and shredder, when required.It shreds the leaves as it vacs them, in order to reduce the volume they take ...

Sthil Parts Replacement Direct Ship Across Canada. Easy Online Parts Look up and Ordering. Contact Support Reviews Pro Account Blog Contact Support Reviews Pro Account Blog Stihl Parts Replacements ... Stihl Parts Replacements . OEM Quality Parts Stihl Canada

Stihl sh56c parts diagram.

MOTOALL Carburetor Replace for Stihl Blower SH56 SH56C SH86 SH86C BG86 BG86CE BG86Z BG86CEZ Zama C1M-S261B 42411200616 4241 120 0616 Leaf Blower Carb 4.3 out of 5 stars 26 $22.99 $ 22 . 99

Diagrams SH56C-EZ Stihl SH 56 Blow-Vac (SH56C-EZ) Parts Diagram Select a page from the Stihl SH 56 Blow-Vac diagram to view the parts list and exploded view diagram. All parts that fit a SH 56 Blow-Vac Pages in this diagram Air filter Carburetor C1M-S142 Crankcase Fan housing inside SH 56 Fan housing outer Gutter cleaning Ignition system Nozzle

Stihl Parts Online. Stihl is a highly recognized name in outdoor power equipment products. DHS Equipment understands that people are searching for Stihl parts online everyday, so we want to offer the best quality Stihl replacement parts online.

Price. Petrol Vacuum Shredder - SH 56 C-E. $349.00*. *Prices are valid from the 24/12/2021 to 25/01/2022. STIHL stores are operated as independent businesses. The products described in this website may not be on display or available at each STIHL store. STIHL reserves the right to change pricing at any time without notice.

warnings apply to the use of all STIHL power tools. Different models may have different parts and controls. See the appropriate section of your KombiEngine and KombiTool instruction manuals for a description of the controls and the function of the parts of your model. Do not clean your machine with a pressure washer. The solid jet of water

Stihl Parts available online from LawnMowerPros. We carry a large selection of quality aftermarket Stihl Parts ready to ship direct to your door. Choose from our large selection of Aftermarket Stihl Chainsaw Parts, Cut Off Saw Parts and Trimmer Parts. The following are the most popular aftermarket Stihl Parts categories.

STIHL Chainsaw Parts - STENS branded: Our inventory of STIHL Chainsaw replacement parts includes fuel filters, starter ropes, carburetors, clutch assemblies and much more. Throughtout this section, we commercialize aftermarket parts for your outdoor power equipment only. These high quality aftermarket parts have been manufactured by STENS for ...

Thanks for watching please subscribe and thumbs up this video! If you have any questions leave them below.

Chainsaw Parts September 8, 2021. 021 023 025 Air Butom Carburetor Chainsaw Coil Filter for Fuel Ignition Line MS210 MS230 MS250 Oil STIHL with. Butom Carburetor with Air Filter Ignition Coil Fuel Oil Line for Stihl MS250 MS230 MS210 025 023 021 Chainsaw Product Description & Features: Package include…. View More.

warnings apply to the use of all STIHL hedge trimmers. Different models may have different parts and controls. See the appropriate section of your instruction manual for a description of the controls and the function of the parts of your model. Safe use of a hedge trimmer involves 1. the operator 2. the power tool 3. the use of the power tool.

The SH 56 C-E shredder vac turns yard work into less work. The fuel-efficient STIHL gasoline-powered engine really brings the power to the specially designed blade on the fan wheel - cutting yard waste down to size. Better yet, this versatile STIHL tool offers one power tool that does the work of two. It comes standard with the necessary ...

Stihl - Aftermarket Leaf Blower Parts Stihl - Aftermarket Leaf Blower Parts: Jack's is your place! We have the Stihl - Aftermarket Leaf Blower Parts you need, with fast shipping and great prices. For power equipment parts and accessories, think Jack's!

Carburetor for Stihl Leaf Blower SH56 SH56C SH86 SH86C BG86 ...

Carburetor for stihl leaf blower sh56 sh56c sh86 sh86c bg86 ...

JR Power Equipment Tune Up Kit For Stihl BG66C BG56C SH56C BG86C SH86C Leaf Blowers Includes Air Filter, Fuel Filter and Spark Plug Air Filter Replaces Stihl 4241-120-1800 Custom Kit Packaged and Shipped by JR Power Equipment or your order is 100% refundable Tune Up Kit For Stihl BG66C BG56C SH56C BG86C SH86C Leaf Blowers …

Stihl SH 56 Blow-Vac (SH56C-ED) Parts Diagram, Crankcase

Stihl sh 56 blow-vac (sh56c-ed) parts diagram, crankcase

STIHL ErgoStart (E) cuts the effort required to start the tool by half, while the starter cord can be pulled at just one third of the normal force. All it takes is 2 fingers and a gentle pull action. Multi-function control handle. This houses all the engine controls. Easy, comfortable thumb-operated control means the operator's hand never ...

Stihl SH 56 Blow-Vac (SH56C-EZ) Parts Diagram

Stihl sh 56 blow-vac (sh56c-ez) parts diagram

Genuine and Aftermarket Spares for Stihl HS46, HS56 Hedge Trimmers, Parts in Stock ready for Next Day Delivery Shop by diagram Stihl HS46 Hedge Trimmer Air Filter Assembly

Leaf Blower Carburettor Air Filter Kit Parts Replace For STIHL BG86 SH56  SH56C

Leaf blower carburettor air filter kit parts replace for stihl bg86 sh56 sh56c

Stihl MS 260 Parts List for the Stihl chainsaw. Repair and identify all chainsaw parts for the MS260 with this manual. The manual contains diagrams and accurate information as used by professional mechanics and repair shops to troubleshoot and repair the chainsaw. The Stihl MS 260 first appeared in 2002 when Stihl rebranded its product range.

stihl blower parts | eBay

Stihl blower parts | ebay

Stihl HS56 Hedge trimmer Parts. Robust machines for demanding tasks: STIHL Hedge trimmer are specially designed for hard work on construction sites. The equipment has particularly long maintenance and servicing intervals and uncompromising reliability. HTS are the leading suppliers of both genuine Sthil parts to suit the HS56 Hedge trimmer parts

STIHL BG 56, 66, 86, SH 56, 86 | Manualzz

Stihl bg 56, 66, 86, sh 56, 86 | manualzz

STIHL or are technically identical. If you have any questions in this respect, consult your dealer. Use only high quality parts and accessories in order to avoid the risk of accidents and damage to the unit. STIHL recommends the use of original STIHL parts and accessories. They are specifically designed to match the product and meet your ...

Stihl SH 56 Blow-Vac (SH56C-EZ) Parts Diagram, Fan housing outer

Stihl sh 56 blow-vac (sh56c-ez) parts diagram, fan housing outer

Stihl Leaf Blower Model BG 56 Parts. Stihl Leaf Blower Model BG 56 Parts are easily labeled on this page to help you find the correct component for your repair. Filter results by category, title and symptom. You can also view diagrams and manuals, review common problems that may help answer your questions, watch related videos, read insightful articles or use our repair help guide to get started.

Stihl SH 56 Blow-Vac (SH56C-EZ) Parts Diagram, Rewind starter ...

Stihl sh 56 blow-vac (sh56c-ez) parts diagram, rewind starter ...

STIHL recommends using only STIHL replacement parts for the repair and maintenance of your STIHL equipment. We want every STIHL owner to have the best product performance possible, so if you are in need of STIHL repair or equipment maintenance, contact your local authorized full-line STIHL servicing Dealer .

HIPA Air Filter Fuel Line Filter Spark Plug for STIHL BG56 BG66 BG86 BG86CE  BG86Z BG86CEZ SH56 SH56C SH86 SH86C BR200 Blower

Hipa air filter fuel line filter spark plug for stihl bg56 bg66 bg86 bg86ce bg86z bg86cez sh56 sh56c sh86 sh86c br200 blower

The STIHL HS 56 C-E is the first petrol hedge trimmer designed for semi- professional use. If you are looking for a robust, lightweight hedge trimmer that is easy. Find all the Stihl - Aftermarket Parts and Accessories you need, with fast shipping and low prices!.Stihl - Aftermarket Parts Stihl is one of the leading manufacturers in handheld ...

Stihl SH 56 Blow-Vac (SH56C-ED) Parts Diagram, Nozzle

Stihl sh 56 blow-vac (sh56c-ed) parts diagram, nozzle

Quality Stihl Replacement Parts From Repair Clinic. From chainsaws and string trimmers to pressure washers and leaf blowers, Stihl outdoor power tools are designed for reliability and built for the long haul. But even the best equipment requires some maintenance to live up to its full potential.

Stihl SH 56 Blow-Vac (SH56C-EZ) Parts Diagram

Stihl sh 56 blow-vac (sh56c-ez) parts diagram

Always use original STIHL replacement parts. They can be identified by the STIHL part number, the STIH) logo and the STIHL parts symbol (This symbol may appear alone on small parts. Storing and disposing of oils and fuels Collect fuel or lubricating oil in a clean container and dispose of it properly in accordance with local environmental ...

Stihl SH 56 Blow-Vac (SH56C-EZ) Parts Diagram, Carburetor C1M ...

Stihl sh 56 blow-vac (sh56c-ez) parts diagram, carburetor c1m ...

SH 56 C-E Leaf Blower Vacuum | Blowers & Shredder Vacs ...

Sh 56 c-e leaf blower vacuum | blowers & shredder vacs ...

STIHL bg56c bg86c sh86c sh56c recoil pull start easy start parts kit NEW  OEM | eBay

Stihl bg56c bg86c sh86c sh56c recoil pull start easy start parts kit new oem | ebay

Stihl SH 56 Blow-Vac (SH56C-EZ) Parts Diagram, Gutter cleaning

Stihl sh 56 blow-vac (sh56c-ez) parts diagram, gutter cleaning

Stihl SH 56 Blow-Vac (SH56C-EZ) Parts Diagram, Ignition system

Stihl sh 56 blow-vac (sh56c-ez) parts diagram, ignition system

STIHL BG 56, 66, 86, SH 56, 86 - PDF Free Download

Stihl bg 56, 66, 86, sh 56, 86 - pdf free download

Stihl SH56C-E Petrol Shredder Vacuum

Stihl sh56c-e petrol shredder vacuum

Baru Zama C1M-S261B Karburator untuk STIHL Blower SH56 SH56C SH86 SH86C  BG86 Qty

Baru zama c1m-s261b karburator untuk stihl blower sh56 sh56c sh86 sh86c bg86 qty

Set Karburator Cocok untuk Stihl Blower BG56 BG56C untuk Zama C1M-S260B  Carb 4241 120 0615 Bagian Alat Menggantikan

Set karburator cocok untuk stihl blower bg56 bg56c untuk zama c1m-s260b carb 4241 120 0615 bagian alat menggantikan

Amazon.com: Replacement Parts, 42411200616 Carburetor for ...

Amazon.com: replacement parts, 42411200616 carburetor for ...

Spring for Stihl SH56, SH56C Vacuum Shredder / Blowers - 4241 195 3501

Spring for stihl sh56, sh56c vacuum shredder / blowers - 4241 195 3501

Genuine Stihl SH56, SH56C, SH86, SH86C Vacuum Shredder Blower ...

Genuine stihl sh56, sh56c, sh86, sh86c vacuum shredder blower ...

Stihl BG50 Parts | Stihl BG & BR Leaf Blower Parts | Stihl ...

Stihl bg50 parts | stihl bg & br leaf blower parts | stihl ...

Stihl SH 56 Blow-Vac (SH56C-ED) Parts Diagram, Crankcase

Stihl sh 56 blow-vac (sh56c-ed) parts diagram, crankcase

Stihl BG 86 Blower (BG86-D) Parts Diagram, Handle frame

Stihl bg 86 blower (bg86-d) parts diagram, handle frame

STIHL BG 56, 66, 86, SH 56, 86 - PDF Free Download

Stihl bg 56, 66, 86, sh 56, 86 - pdf free download

BG 56 C-E Handheld Blower - Powerful Gas Leaf Blowers | STIHL USA

Bg 56 c-e handheld blower - powerful gas leaf blowers | stihl usa

Details about Stihl BG 60 Leaf Blower Parts Catalog List Manual 4/83

Details about stihl bg 60 leaf blower parts catalog list manual 4/83

Stihl SH 56 Blow-Vac (SH56C-EZ) Parts Diagram, Air filter

Stihl sh 56 blow-vac (sh56c-ez) parts diagram, air filter

Carburetor For Stihl BG86 SH56 SH56C SH86 SH86C Carb ZAMA C1M-S261B Leaf  Blower High Quality Carburetor Kit Tool Accessories

Carburetor for stihl bg86 sh56 sh56c sh86 sh86c carb zama c1m-s261b leaf blower high quality carburetor kit tool accessories

Spare Parts For Stihl Blower Carburettor BG86 SH56 SH56C SH86 ...

Spare parts for stihl blower carburettor bg86 sh56 sh56c sh86 ...

Carburettor Replacement For Stihl BG86 BG86C SH56C SH86 Leaf Blower Carb  Parts

Carburettor replacement for stihl bg86 bg86c sh56c sh86 leaf blower carb parts

Jual SEAL AIR DUCT U NMAX YAMAHA 2DP-E5474-00 - Jakarta Barat ...

Jual seal air duct u nmax yamaha 2dp-e5474-00 - jakarta barat ...

Buy labwork Carburetor for C1M-S261B Fits for STIHL SH56 ...

Buy labwork carburetor for c1m-s261b fits for stihl sh56 ...

Stihl SH56C Blower Vacs

Stihl sh56c blower vacs

0 Response to "37 stihl sh56c parts diagram"

Post a Comment

Iklan Atas Artikel

Iklan Tengah Artikel 1

Iklan Tengah Artikel 2

Iklan Bawah Artikel