Iklan 300x250

39 1995 ford f150 front suspension diagram

1995 Ford F 150 Front Suspension Diagram - Wiring Forums Aug 04, 2017 · Here are some of the top illustrations we get from various sources, we wish these pictures will work to you, and hopefully extremely appropriate to just what you desire about the 1995 Ford F 150 Front Suspension Diagram is. U-Joint In Front Axle – Ford Truck Enthusiasts Forums, size: 800 x 600 px, source: repairguide.autozone.com. 1995 Ford F150 Parts Diagram - Automotive Parts Diagram Images Description : 1995 Ford F150 Tailgate Parts Diagram,f.free Download Printable with regard to 1995 Ford F150 Parts Diagram, image size 419 X 352 px, and to view image details please click the image. Here is a picture gallery about 1995 ford f150 parts diagram complete with the description of the image, please find the image you need.

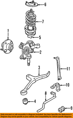
Front Suspension for 1995 Ford F-150 - Blue Springs Ford Parts Front Hub Seal. E100-150 vans. E150 vans. 2 wheel drive, grease, single piston. F100-150. F150, f250, f350 with 2wd, f150. Expedition, Navigator.

1995 ford f150 front suspension diagram

1995 ford f150 front suspension diagram

Ford F150 2wd 1995 Suspension Parts variable rate coil springs - front. Part Number: coil-springs-ford-f150-76-96-moog-v. Manufacturer ... Where can i get a diagram of a 1995, ford f150 fro - Fixya 24 Oct 2009 — I need a Ford 150 front end suspension diagram for a 1990 truck and the names of the parts. you can buy a chiltons manual at the local auto ... 1995 Ford F150 Front Suspension Diagram | vincegray2014 Feb 25, 2022 · 1995 Ford F150 Drum Brakes Diagram. 1996 F150 Front Suspension Diagram. 1995 Ford F150 Fuel Pump Wiring Diagram. 2001 Ford F150 Suspension Diagram. 2002 Ford Expedition Front Suspension Diagram. 2005 Ford F350 Front Suspension Diagram. 2005 Ford F250 Diesel Front Suspension Diagram.

1995 ford f150 front suspension diagram. 1995 Ford F150 Front Suspension Diagram - Diagram : Resume ... Home Decorating Style 2022 for 1995 Ford F150 Front Suspension Diagram, you can see 1995 Ford F150 Front Suspension Diagram and more pictures for Home Interior Designing 2022 313054 at Resume Example Ideas. 1995 Ford F150 2wd Front Suspension Diagram - Diagram Niche Ideas 1995 ford f150 2wd front suspension diagram. My front tires lean in a long ways. The interior also underwent a redesign. Every used car for sale comes with a free carfax report. A diagram for a 1995 ford f150 front suspension can be found in the maintenance manual of the car. These directions are for the front spindle kit only. Ford F150 Front Suspension Diagram - vincegray2014 May 31, 2021 · 1995 F150 Front Suspension Diagram. 1996 F150 Front Suspension Diagram. 2001 Ford F150 Suspension Diagram. 2005 Ford F350 Front Suspension Diagram. 2002 Ford Expedition Front Suspension Diagram. 2005 Ford F250 Diesel Front Suspension Diagram. 2002 Ford Ranger Edge Front Suspension Diagram. 1995 Ford F-150 Replacement Suspension Parts - CARiD.com Products 1 - 60 of 486 — 1995 Ford F-150 Suspension Parts · Dorman® - Front Non-Adjustable Control Arm · MOOG® - Problem Solver™ Front Coil Springs · KYB® - Excel-G™ ...

1995 Ford F150 Front Suspension Diagram | vincegray2014 Feb 25, 2022 · 1995 Ford F150 Drum Brakes Diagram. 1996 F150 Front Suspension Diagram. 1995 Ford F150 Fuel Pump Wiring Diagram. 2001 Ford F150 Suspension Diagram. 2002 Ford Expedition Front Suspension Diagram. 2005 Ford F350 Front Suspension Diagram. 2005 Ford F250 Diesel Front Suspension Diagram. Where can i get a diagram of a 1995, ford f150 fro - Fixya 24 Oct 2009 — I need a Ford 150 front end suspension diagram for a 1990 truck and the names of the parts. you can buy a chiltons manual at the local auto ... Ford F150 2wd 1995 Suspension Parts variable rate coil springs - front. Part Number: coil-springs-ford-f150-76-96-moog-v. Manufacturer ...

Rebuilding The F150 Front Suspension Weekend

Rebuilding The F150 Front Suspension Weekend

2010 Ford F-150 SVT Raptor: Suspension Walkaround

2010 Ford F-150 SVT Raptor: Suspension Walkaround

front end parts - Ford F150 Forum - Community of Ford Truck Fans

front end parts - Ford F150 Forum - Community of Ford Truck Fans

Front Suspension

Front Suspension

Front Suspension

Front Suspension

Ford F-150/F-250: Why is my Front Suspension Clunking? | Ford ...

Ford F-150/F-250: Why is my Front Suspension Clunking? | Ford ...

FORD OEM Front Suspension-Strut 3F1Z18124CA | eBay

FORD OEM Front Suspension-Strut 3F1Z18124CA | eBay

The Ford Ranger Front Suspension

The Ford Ranger Front Suspension

1996 Ford F150 Shocks

1996 Ford F150 Shocks

Ford F-150/F-250: How to Align Your Tires | Ford-trucks

Ford F-150/F-250: How to Align Your Tires | Ford-trucks

Ford Twin I-Beam Suspension – Blue Oval Trucks

Ford Twin I-Beam Suspension – Blue Oval Trucks

Ford Truck Technical S And Schematics Section A Front Rear ...

Ford Truck Technical S And Schematics Section A Front Rear ...

1998 4wd Front Suspension Diagram and Advice Needed Urgently ...

1998 4wd Front Suspension Diagram and Advice Needed Urgently ...

6 pc Front Suspension Kit Outer Inner Tie Rods for Ford F-100 ...

6 pc Front Suspension Kit Outer Inner Tie Rods for Ford F-100 ...

95 2wd front sway bar location - Ford F150 Forum - Community ...

95 2wd front sway bar location - Ford F150 Forum - Community ...

Rebuilding the F150 Front Suspension, Replacing Everything

Rebuilding the F150 Front Suspension, Replacing Everything

Suspension Components for 1995 Ford F-150 | Rockwall Ford Parts

Suspension Components for 1995 Ford F-150 | Rockwall Ford Parts

Ford F-Series (tenth generation) - Wikipedia

Ford F-Series (tenth generation) - Wikipedia

1996 Ford F150 - 165k - rebuild front suspension - Ford F150 ...

1996 Ford F150 - 165k - rebuild front suspension - Ford F150 ...

F-150 SVT Lightning Front Suspension Rebuild Kit (93-95)

F-150 SVT Lightning Front Suspension Rebuild Kit (93-95)

F-150 SVT Lightning Front Suspension Rebuild Kit (93-95)

F-150 SVT Lightning Front Suspension Rebuild Kit (93-95)

Genuine OEM Front Suspension & Steering Parts for Ford F-150 ...

Genuine OEM Front Suspension & Steering Parts for Ford F-150 ...

Front Suspension

Front Suspension

Front Sway Bar Components - 4 Wheel Drive

Front Sway Bar Components - 4 Wheel Drive

Front Suspension

Front Suspension

Rear Suspension for 1995 Ford F-150 | Blue Springs Ford Parts

Rear Suspension for 1995 Ford F-150 | Blue Springs Ford Parts

NOS 1980 1981 FORD F100 F150 F250 F350 2WD FRONT AXLE RADIUS ...

NOS 1980 1981 FORD F100 F150 F250 F350 2WD FRONT AXLE RADIUS ...

Kuhn KUHN TB 181 Seitenmulcher - Franz Gady GmbH - Landwirt.com

Kuhn KUHN TB 181 Seitenmulcher - Franz Gady GmbH - Landwirt.com

Front Suspension - 2 Wheel Drive

Front Suspension - 2 Wheel Drive

What would you recommend changing during lift? - Ford F150 Forum

What would you recommend changing during lift? - Ford F150 Forum

Suspension Components for 1995 Ford Ranger | Blue Springs ...

Suspension Components for 1995 Ford Ranger | Blue Springs ...

DJM F-150 SVT Lightning 3/4 Lowering Kit (93-95) DJM3000-3/4

DJM F-150 SVT Lightning 3/4 Lowering Kit (93-95) DJM3000-3/4

Ford Twin I-Beam Suspension – Blue Oval Trucks

Ford Twin I-Beam Suspension – Blue Oval Trucks

1/2 ton SAS (Solid Axle Swap) guide - Ford Truck Enthusiasts ...

1/2 ton SAS (Solid Axle Swap) guide - Ford Truck Enthusiasts ...

The Ford Ranger Front Suspension

The Ford Ranger Front Suspension

The Ford Ranger Front Suspension

The Ford Ranger Front Suspension

Rough Country 6

Rough Country 6" Suspension Lifts for 80-96 Ford Bronco, 80 ...

FORD OEM Front Suspension-Strut 6E5Z18124AL | eBay

FORD OEM Front Suspension-Strut 6E5Z18124AL | eBay

Front Suspension

Front Suspension

0 Response to "39 1995 ford f150 front suspension diagram"

Post a Comment

Iklan Atas Artikel

Iklan Tengah Artikel 1

Iklan Tengah Artikel 2

Iklan Bawah Artikel