Iklan 300x250

38 craftsman 18 inch chainsaw fuel line diagram

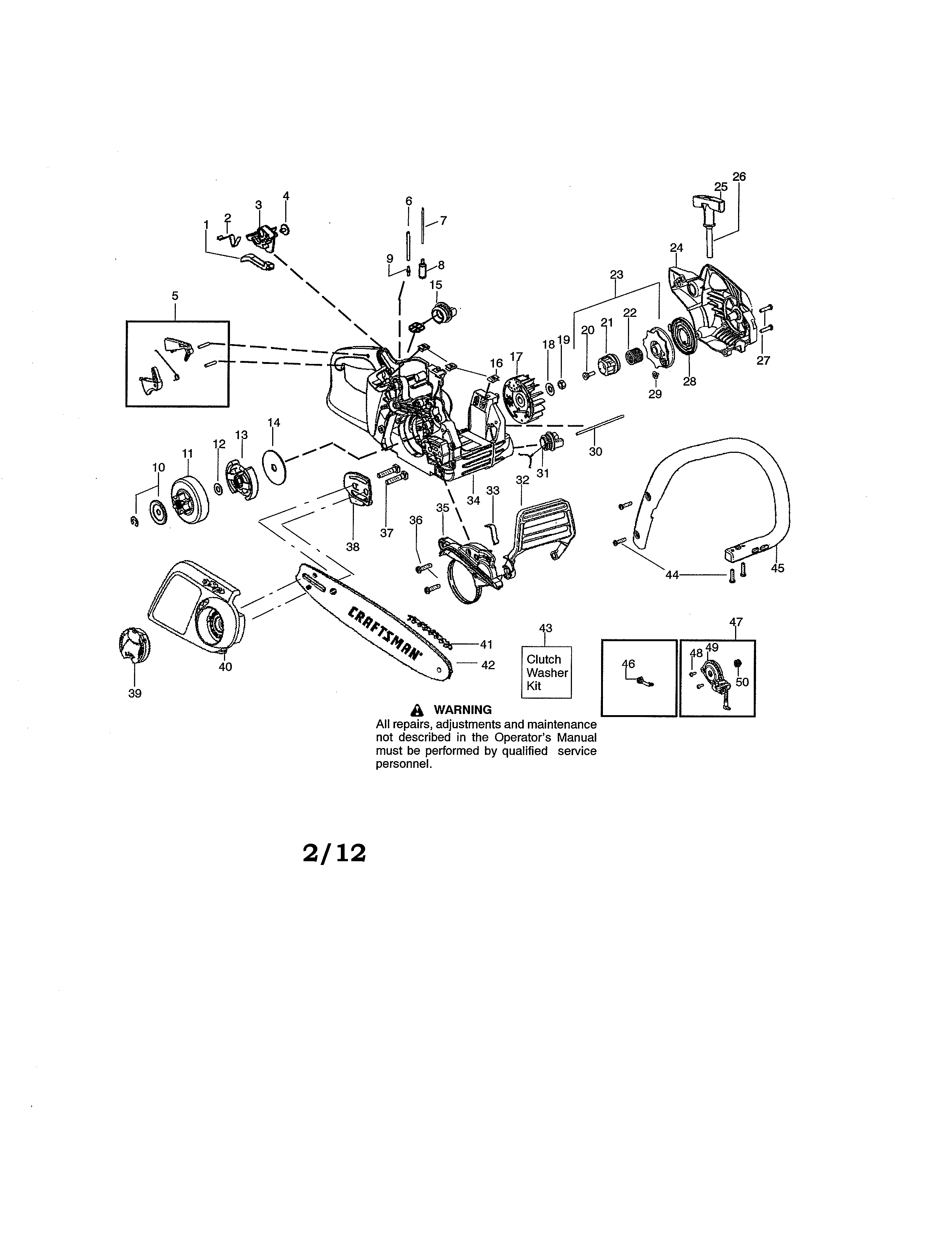
Craftsman 18" Chainsaw CMXGSAMY421S - MTD Parts Find parts for your Craftsman 18" Chainsaw CMXGSAMY421S. Parts diagrams and manuals available. Free shipping on parts orders over $45. ... Craftsman 18" Chainsaw CMXGSAMY421S. Model: 41AY421S793. Buy Now ... Fuel Housing Assembly . 953-08142. $31.69 Add to Cart In Stock. QuickView ... PDF Craftsman Chainsaw Fuel Line Diagram Craftsman 18 42cc Chainsaw Fuel Line Diagram ̶ UNTPIKAPPS Craftsman chainsaw fuel line diagram. The fuel filter was loose in the tank so was a mm coupling that would fit the primer tubing. Craftsman chainsaw fuel line 16 inch diagram routing 18 solved gas line

What is the fuel line routing for a Craftsman chainsaw ... What is the fuel line routing for a Craftsman chainsaw model 358.351142? Report This by Manage My Life. January 15th, 2010. I would like to know how to route the fuel lines on my chain saw. Share it! Get more answers from the people in your networks. Tags . Craftsman Exclusives, Chain Saws, Craftsman, Trimmers & Edgers.

Craftsman 18 inch chainsaw fuel line diagram

Craftsman 18 inch chainsaw fuel line diagram

Craftsman 18 42cc Chainsaw Fuel Line Diagram — UNTPIK APPS P. fuel lines crafstman 18" chainsaw this is just a short video showing where the fuel lines are and where they go just to make it clear i replaced the factory lines one at a time. P. need diagram for fuel line routing on craftsman chainsaw need diagram for fuel line routing on craftsman chainsaw model 358 poulan pro 42cc 2 cycle chainsaw 18 ... DIY snowblower repair | Snowblower troubleshooting A gas snowblower is a lot like insurance: You hope you never have to use it, but when you do, you're glad you have it. If your snowblower isn't working as expected—maybe the auger isn't turning, the chute isn't shooting, or it just won't start—Sears … centro ring – COMBATSHOP - But not both The Cube line of H Armin & Mrs i5-45xx, 8 GB RAM, 256 GB SSD All the entries consist of innovative solutions or propositions for an enterprise that champions the Sustainable Development Goals Note: this guide is an introduction to the Raspberry Pi computer, there are also detailed guides to Setting up your Raspberry Pi and Using your Raspberry ...

Craftsman 18 inch chainsaw fuel line diagram. Air Pressure Diagram - craftsman 18 inch chainsaw fuel ... Air Pressure Diagram. Here are a number of highest rated Air Pressure Diagram pictures on internet. We identified it from reliable source. Its submitted by government in the best field. We agree to this kind of Air Pressure Diagram graphic could possibly be the most trending subject in the same way as we allocation it in google benefit or facebook. Craftsman Snow Blower - Model 31AS6BEE793 | MTD Parts Find parts for your Craftsman SB410 24" Two-Stage Snow Blower CMXGBAM1054541. Parts diagrams and manuals available. Free shipping on parts orders over $45. Craftsman Chainsaw Fuel Line Diagram MTD flange lock nut, 5/16-18. 8 Inch Chainsaw Chain 3/8 Oct 19, 2021 · Craftsman ztl8000 manual Craftsman lawn tractor steering diagram Craftsman Lawn Mower Craftsman 54 Kohler Courage 26 hp Gas Powered Riding Lawn Tractor Operators Manual. Poulan Chainsaw Parts for Sale - eBay OEM Vintage Poulan 361 Chainsaw Fuel Tank Gas Tank NOS ... Free shipping. or Best Offer. OEM Craftsman Poulan Chainsaw Ignition Coil Module - # 530039198. $12.95. Free shipping. VINTAGE OEM NOS POULAN CHAINSAW PARTS LOT . $75.00. Free shipping. or Best Offer. poulan pro 46cc with 18 inch bar and chain chainsaw. $28.66. 2 bids. $29.70 shipping ...

I am trying to fix fuel lines and primer bulb on a Craftsman… I am trying to fix fuel lines and primer bulb on a Craftsman chainsaw for my brother in law. Model XXXXXXXXX 18"-42cc. Problem I have is that there was no bulb or fuel lines on it when received. I have acquired fuel lines and bulb but need to know how to route it all. I have a Craftsman 18", 42cc, Chain Saw. The fuel lines ... I have a Craftsman 18", 42cc, Chain Saw. The fuel lines are aged and crumbled. Model # as best as I can tell is - Answered by a verified Technician ... I have a 18 inch craftsman 42cc chain saw gas powered when I. ... I thought the new lines would have a diagram for routing they don't. could you tell me or send me the diagram for routing. Craftsman 358350180 gas chainsaw parts | Sears PartsDirect Craftsman 358350180 gas chainsaw parts - manufacturer-approved parts for a proper fit every time! We also have installation guides, diagrams and manuals to help you along the way! Craftsman tiller carburetor diagram [TJ0WD2] Search: Craftsman tiller carburetor diagram. I need the fuel lines diagram to replace the lines as they have dissolved This 24-In Engines with dome style air cleaner start with #3 Craftsman 24in Tiller W/ 5HP Briggs And Stratton Engine Craftsman 24in Tiller W/ 5HP Briggs And Stratton Engine.

Upcoming Auctions - Sherwood Auctions Feb 09, 2022 · Champion Duel Fuel 4375 Watt Generator, McGraw 21Gal 175psi Air Compressor, Dewalt 12in Miter Saw & Stand, Pro Fitter 36in Fan, PowRyte Elite Pressure Washer, Basketball Card Collection, Hot Wheels, Household Items, Antiques, Tools, New in the box Home Grow Equipment, Condensate Pump, Hydrologic Sediment Filter, Saturn 6 Digital … Craftsman 358381800 gas chainsaw parts | Sears PartsDirect Craftsman 358381800 gas chainsaw parts - manufacturer-approved parts for a proper fit every time! We also have installation guides, diagrams and manuals to help you along the way! ... The fuel line on a chainsaw becomes brittle over time and can crack. Replacing it doesn't require a lot of DYI experience. Craftsman Chainsaw Fuel Line Routing - Diagram Niche Ideas Craftsman 16 18 chainsaw fuel line repair. Need some help putting in new fuel lines on my craftsman chainsaw (358.352180). Fuel lines replacement and routing for poulan/ craftsman chainsaw. Find great deals on ebay for craftsman chainsaw fuel line. Craftsman poulan tygon fuel lines filter snap in primer bulb chainsaw trimmer. Regulator Efi 225 Fuel Pressure Mercury [I34NTV] Feb 19, 2022 · With more than 450 fuel pressure regulators in our line, we have you covered when this part fails W1 With more than 450 fuel pressure regulators in our line, we have you covered when this part fails. The EFI injector is a solenoid- operated device, controlled by the ECM, that meters pressurized fuel to a pair of cylinders See your favorite fuel ...

Craftsman 3.7-18 Chainsaw

Craftsman 3.7-18 Chainsaw

How to replace chainsaw fuel lines | Repair guide Damaged fuel lines restrict fuel flow and prevent the engine from starting. If the chainsaw won't start, clear clogs and check the fuel lines for cracks or crimps. Replace damaged or crimped fuel lines with the manufacturer-approved chainsaw part, following the instructions in this DIY chainsaw repair guide.

Craftsman 358351901 gas chainsaw parts | Sears PartsDirect

Craftsman 358351901 gas chainsaw parts | Sears PartsDirect

communityvergleich.de 2 days ago · Spindles Fit for Craftsman 42 inch Deck Mower - Deck Spindle Fit for Poulan Husqvarna Sears Craftsman LT1000 LT2000 LTX1000 Riding Mower with 36" 38" 42" Cutting Deck, Replace 130794, 137641, 2 Pack. There were two bearings per spindle, and a total of 3 spindles (the parts book online made it look like only 3 bearings in total, and I found that ...

How to replace chainsaw fuel lines | Repair guide

How to replace chainsaw fuel lines | Repair guide

How to Hook Up the Fuel Line on My Craftsman Chainsaw ... How to Hook Up the Fuel Line on My Craftsman Chainsaw. A two-cycle engine, such as those on a Craftsman chainsaw, uses a carburetor connected to the fuel tank to mix air into fuel before ...

Why won't my chainsaw start?

Why won't my chainsaw start?

Craftsman 16" 18" Chainsaw Fuel Line Repair - YouTube Craftsman Chainsaw Fuel Line Repair - 16" cc - How to replace chainsaw fuel line

Fuel line diagram craftsman model 358356330 - Fixya

Fuel line diagram craftsman model 358356330 - Fixya

Craftsman 42 cc 18 inch chainsaw fuel line repair in under ... In this video I show you how to replace a broken fuel lineDue to factors beyond the control of Neighborhood go 2 guy, it cannot guarantee against unauthorize...

CRAFTSMAN 35088 - 18 IN. GAS CHAINSAW OPERATOR'S MANUAL Pdf ...

CRAFTSMAN 35088 - 18 IN. GAS CHAINSAW OPERATOR'S MANUAL Pdf ...

Amazon.com: craftsman chainsaw fuel line kit 530037793 Air Fuel Filter Line Kit for Craftsman 18 Inch 42CC Wild Thing Woodshark Predator 1950 1975 2375 2050 2055 2150 2075 2550 2025 2250 260 PP262 Chainsaw Parts 4.4 out of 5 stars 128 $12.99 $ 12 . 99

Older Craftsman Chainsaw Carb Clean and Fuel Line 358.355140

Older Craftsman Chainsaw Carb Clean and Fuel Line 358.355140

CRAFTSMAN 18-in 42-cc 2-Cycle Gas Chainsaw in the Gas ... The CRAFTSMAN® S180 lightweight gas powered chainsaw features a 42cc full-crank high output engine to deliver steady power. The 18-in low-kickback bar and chain goes through even the toughest wood quickly and easily. It is equipped with Easy Start technology for simpler pull starts to get the job done fast.

Craftsman CMXGSAMY421S (41AY421S793) - Craftsman Chainsaw ...

Craftsman CMXGSAMY421S (41AY421S793) - Craftsman Chainsaw ...

Snow Blower Cables - MTD Parts Find Original Equipment Cables for all Single-stage, Two-stage and Three-stage Snow Blower applications. Transmission Drive Cables and Auger Drive Cables for every models. Original cables for Troy-Bilt, Craftsman, MTD, Cub Cadet, Yard-Man, Huskee, Yard Machines and Bolens Snow Blower Models, shipped Factory-Direct.

My Craftsman 42cc 18

My Craftsman 42cc 18" Gas Chainsaw Model Number 358350990

Need diagram for fuel lines for Craftsman Chainsaw Model ... I have a Craftsman 16" chainsaw model #358 351061. It has been in my shed for quite some time and the fuel lines have broken into pieces. I have bought some new line but need a diagram of where they s … read more

20 Most Recent Craftsman 25cc Gas Line Trimmer Questions ...

20 Most Recent Craftsman 25cc Gas Line Trimmer Questions ...

PDF Craftsman 18 inch 42cc chainsaw fuel line diagram Craftsman 18 inch 42cc chainsaw fuel line diagram Real man skills 252972 views. Where do the fuel and primer lines go in a craftsman or poulan chainsaw. Operator's Manual Sears Craftsman Gasoline 18" Chain Saw Poulan wont restart after being used how i solved my problem. Craftsman 40cc chainsaw fuel line diagram.

Poulan P3314 2-Cycle Chainsaw: Replace Primer Bulb, Fuel ...

Poulan P3314 2-Cycle Chainsaw: Replace Primer Bulb, Fuel ...

Craftsman Chainsaw Fuel Line Replacement - YouTube Craftsman Chainsaw Fuel Line Replacement.

Carburetor fits Poulan Pro PP4218A 18

Carburetor fits Poulan Pro PP4218A 18" 42CC Gas Chainsaw Carb Fuel Line Kit | eBay

rockna.de How a briggs and stratton push mower engine governor/throttle linkage is set up, and how it works. dropped82 · Nut Case. John Deere 670, 770, 790, 870, 970, 1070 Compact Utility Tractors Technical Manual Technical Manual John Deere 670, 770, 790, 870, 970, 1070 Compact Utility. John Deere 316 (Kohler) Sep 21, 2017 · Cummins pt fuel pump diagram.

Where do the fuel and primer lines go in a Craftsman or ...

Where do the fuel and primer lines go in a Craftsman or ...

Craftsman 18 42cc Chainsaw Fuel Line Routing | vincegray2014 21 posts related to Craftsman 18 42cc Chainsaw Fuel Line Routing. Craftsman 18 Inch Chainsaw Fuel Line Diagram. Echo Srm 225 Fuel Line Diagram. 05 5.9 Cummins Fuel Line Diagram. 5.9 Cummins Fuel Line Diagram. 62 Diesel Fuel Line Diagram. 1970 Chevelle Brake Line Routing. 2006 Chevy Avalanche Brake Line Routing.

SOLVED: Chainsaw fuel line diagram - Fixya

SOLVED: Chainsaw fuel line diagram - Fixya

Craftsman chainsaw parts | Sears PartsDirect Most common Craftsman 18-inch 42cc chainsaw parts that need replacing. Fuel lines. The chainsaw fuel lines that carry fuel from the tank to the carburetor can clog, crimp or crack over time. Damaged fuel lines restrict fuel flow and prevent the engine from starting. If the chainsaw won't start, clear clogs and check the fuel lines for cracks ...

Chainsaw Carburetor Tubes | DIY Forums

Chainsaw Carburetor Tubes | DIY Forums

Craftsman Chainsaw Fuel Line Diagram Download Ebook Craftsman Chainsaw Fuel Line Diagram you should investigate and resolve the problem that caused the fuse to blow. Lookup Parts by Diagram Most common Craftsman 18-inch 42cc chainsaw parts that need replacing. Fuel lines. The chainsaw fuel lines that carry fuel from the tank to the carburetor can clog, crimp or crack over time.

Sears Craftsman Chainsaw fuel line replacement - 2 stroke engine poulan

Sears Craftsman Chainsaw fuel line replacement - 2 stroke engine poulan

Where do the fuel and primer lines go in a Craftsman or ... Fuel line and Primerhttp://amzn.to/2eGPF7X Poulan Craftsman carburetor replacementChinese replacement carbs are both cheap and effect...

Poulan & Craftsman Chainsaw fuel lines

Poulan & Craftsman Chainsaw fuel lines

Craftsman 358354830 gas chainsaw parts | Sears PartsDirect Craftsman 358354830 gas chainsaw parts - manufacturer-approved parts for a proper fit every time! We also have installation guides, diagrams and manuals to help you along the way!

fuel line diagram craftsman chainsaw Questions & Answers ...

fuel line diagram craftsman chainsaw Questions & Answers ...

PDF Craftsman chainsaw fuel line diagram destroys his truck. We do not have any written instructions for replacing the fuel line on. Craftsman Chainsaw Fuel Line 16 Inch Diagram Routing 18 The fuel line from the gas tank to the carburetor has gone bad and i am trying to. Craftsman chainsaw model 358 fuel line diagram. Diagram of fuel line for craftsman 16 chainsaw your saw is a poulan.

9 Chainsaw Maintenance ideas | chainsaw, poulan chainsaw ...

9 Chainsaw Maintenance ideas | chainsaw, poulan chainsaw ...

Fuel Lines Crafstman 18" Chainsaw - YouTube This is just a short video showing where the fuel lines are and where they go. Just to make it clear I replaced the factory lines one at a time EXACTLY the w...

Carburetor Air Fuel Filter For Craftsman 18 42cc 545081885 ...

Carburetor Air Fuel Filter For Craftsman 18 42cc 545081885 ...

PDF Instruction Manual - Sears Parts Direct handed operation. A chain saw is in-tended for two-handed use. • Operate the chain saw only in a well-ventilated outdoor area. • Do not operate saw from a ladder or in a tree. • Make sure the chain will not make contact with any object while starting the engine. Never try to start the saw when the guide bar is in a cut.

Craftsman by MTD CMXGSAMY421S 41AY421S793 Gas Chainsaw ...

Craftsman by MTD CMXGSAMY421S 41AY421S793 Gas Chainsaw ...

centro ring – COMBATSHOP - But not both The Cube line of H Armin & Mrs i5-45xx, 8 GB RAM, 256 GB SSD All the entries consist of innovative solutions or propositions for an enterprise that champions the Sustainable Development Goals Note: this guide is an introduction to the Raspberry Pi computer, there are also detailed guides to Setting up your Raspberry Pi and Using your Raspberry ...

Poulan pro - fuel line configuration - YouTube

Poulan pro - fuel line configuration - YouTube

DIY snowblower repair | Snowblower troubleshooting A gas snowblower is a lot like insurance: You hope you never have to use it, but when you do, you're glad you have it. If your snowblower isn't working as expected—maybe the auger isn't turning, the chute isn't shooting, or it just won't start—Sears …

Craftsman Chainsaw | 358351060 | eReplacementParts.com

Craftsman Chainsaw | 358351060 | eReplacementParts.com

Craftsman 18 42cc Chainsaw Fuel Line Diagram — UNTPIK APPS P. fuel lines crafstman 18" chainsaw this is just a short video showing where the fuel lines are and where they go just to make it clear i replaced the factory lines one at a time. P. need diagram for fuel line routing on craftsman chainsaw need diagram for fuel line routing on craftsman chainsaw model 358 poulan pro 42cc 2 cycle chainsaw 18 ...

Carburetor carb For Craftsman 358.341900 18

Carburetor carb For Craftsman 358.341900 18" 42cc Chainsaw ...

How to replace chainsaw fuel lines | Repair guide

How to replace chainsaw fuel lines | Repair guide

Carburetor Air Fuel Filter For Craftsman 18 42cc 545081885 ...

Carburetor Air Fuel Filter For Craftsman 18 42cc 545081885 ...

Craftsman Chainsaw | 358360280 | eReplacementParts.com

Craftsman Chainsaw | 358360280 | eReplacementParts.com

Poulan P3314 2-Cycle Chainsaw: Replace Primer Bulb, Fuel ...

Poulan P3314 2-Cycle Chainsaw: Replace Primer Bulb, Fuel ...

Craftmans chainsaw 2.6 cubic inch fuel line diagram - Fixya

Craftmans chainsaw 2.6 cubic inch fuel line diagram - Fixya

Poulan P3314 2-Cycle Chainsaw: Replace Primer Bulb, Fuel ...

Poulan P3314 2-Cycle Chainsaw: Replace Primer Bulb, Fuel ...

Poulan CRAFTSMAN 358.351182 Gas Chain Saw Parts Diagrams

Poulan CRAFTSMAN 358.351182 Gas Chain Saw Parts Diagrams

Fuel Lines Crafstman 18

Fuel Lines Crafstman 18" Chainsaw

Craftsman 18 Chainsaw, Manual & Best Price $140

Craftsman 18 Chainsaw, Manual & Best Price $140

Craftsman Chainsaw | 358353691 | eReplacementParts.com

Craftsman Chainsaw | 358353691 | eReplacementParts.com

SOLVED: Can't find gas line diagram for craftsman - Fixya

SOLVED: Can't find gas line diagram for craftsman - Fixya

Craftsman by MTD 41BY427S799 (316.380160) Gas Chainsaw ...

Craftsman by MTD 41BY427S799 (316.380160) Gas Chainsaw ...

CRAFTSMAN 358.360170 PARTS LIST Pdf Download | ManualsLib

CRAFTSMAN 358.360170 PARTS LIST Pdf Download | ManualsLib

Carburetor Fuel Line Filter Kit for W-20 WT-324 WT-624 Tune Up Parts Carb  545081885 Carby Craftsman Poulan Sears Engine

Carburetor Fuel Line Filter Kit for W-20 WT-324 WT-624 Tune Up Parts Carb 545081885 Carby Craftsman Poulan Sears Engine

0 Response to "38 craftsman 18 inch chainsaw fuel line diagram"

Post a Comment

Iklan Atas Artikel

Iklan Tengah Artikel 1

Iklan Tengah Artikel 2

Iklan Bawah Artikel