37 2005 dodge dakota radio wiring diagram
Wiring diagrams dodge. Call 800 298 8924 to get expert service ordering a trailer wiring for your 2005 dodge dakota. This information outlines the wires location color and polarity to help you identify the proper connection spots in the vehicle. If you run into an electrical problem with your dodge you may want to take a moment and check a few ... 05 Dodge Dakota Car Stereo Wiring Diagram - trying to find the car stereo wiring diagram with colors for a dodge dakota 2005 slt all the ones i have found do not match my vehicle despite their claims i have the base radio no hands free. i have bought two adapters and both were not the same as what i
Variety of 2005 dodge ram 2500 diesel wiring diagram. It reveals the components of the circuit as streamlined forms as well as the power as well as signal connections in between the gadgets. Radio Wiring Diagram Car Engine Diagrams Dodge Durango Dodge Dakota Ram 1500 2005 Dodge Cummins Ecm Wiring Diagram. 2005 dodge cummins wiring […]

2005 dodge dakota radio wiring diagram
Best Of 36 Design 2005 Dodge Dakota Radio Wiring Diagram Dodge Dakota Dodge Ram 2500 Dodge Ram. 10 Chevy Truck Trailer Wiring Diagram Trailer Wiring Diagram Car Trailer Truck And Trailer. 2006 5 7 Hemi Wiring Harness Diagram In 2021 Dodge Ram 1500 Dodge Ram Dodge. 77 Awesome Chrysler Radio Wiring Diagram Chrysler Town And Country Trailer Light ... May 04, 2017 · • Wiring Diagram information. Level 3: If AFTER you’ve read this user manual in its entirely (including all the knowledge base articles) and your issue doesn’t fall within either Level 1 or Level 2 support definitions and still require additional assistance, contact the wiTECH Helpdesk via email at [email protected] or via phone at 844 ... Fit Dodge Dakota Factory Speaker Replacement Kicker (2)DSC65 & CXA $ Buy It Now. or Best Offer. Free Shipping. Car stereo wiring diagram for a dodge neon you dont need a wiring diagram for the radio. all the wires with the new radio and the stock one will match in color. you just gotta get . Dodge Dakota Car Radio Wiring Diagram.
2005 dodge dakota radio wiring diagram. 2005 Dodge Dakota Trailer Wiring Harness Collection is a free worksheet for you. This wallpaper was uploaded at December 30, 2021 by tamble in Trailer.. 2005 Dodge Dakota Trailer Wiring Diagram - Download the 2005 Dodge Dakota Trailer Wiring Diagram that is available on this post.. A wiring diagram is really a simple conventional pictorial depiction of any electric powered circuit, having its ... Written for dealership mechanics, this wiring diagram shows you how to follow the wiring from bumper-to-bumper. It will help you understand connector configurations, and locate and identify circuits, relays, and grounds. ... This manual covers all 2005 Dodge Dakota models including ST, Sport, Laramie, SLT, crew cab, and extended cab. 16 99 Lincoln Town Car Factory Amp Wiring Diagram Lincoln Town Car Jeep Grand Cherokee Laredo Car Amplifier. Dodge Ram Radio Wiring Diagram In 2021 Dodge Dakota Dodge Ram 2500 Dodge Ram. 60 Unique 2002 Dodge Ram 1500 Radio Wiring Diagram Dodge Ram 1500 Dodge Ram Electrical Wiring Diagram. Dodge Dakota 2005, Aftermarket Radio Wiring Harness by American International®, with OEM Plug. American International Installer Preferred wire harnesses are a vital link between today's mobile electronics and a given vehicle.... Ensures dependable connection Superior product quality. $6.89.
98 Ram Radio Wiring Diagram. 2002 dodge dakota radio wiring diagram. Automotive wiring in a 2002 Dodge Dakota Pickup Truck vehicles are becoming. It shows the components of the circuit as simplified forms and also the power as well as signal links in between the devices. Do the installation improperly and it can potentially deadly. Jan 09, 2021 · Chevrolet TrailBlazer (2002 – 2009) – fuse box diagram Year of production: 2002, 2003, 2004, 2005, 2006, 2007, 2008, 2009 Passenger Compartment Fuse Box 27 Dec 2009 — We found a diagram… We are installing a stereo into a 2005 Dodge Dakota pickup truck. We did not have a wire harness originally and decided ...1 answer · hello, you are going to find that you have a problem here,ill explain, your going to have to reattach the factory connector and get an aftermarket interface ... 2005 Dodge Dakota Radio Wiring Diagram Pictures. Electrical electrical wiring is a potentially dangerous task if carried out improperly. One should never attempt operating on electrical wiring without knowing typically the below tips and tricks followed simply by even the most experienced electrician.
2005 Dodge Dakota Stereo Wiring Diagram - Annavernon pertaining to 2005 Dodge Durango Fuse Box Diagram by admin From the thousands of photographs on the net regarding 2005 dodge durango fuse box diagram, we selects the very best selections together with ideal image resolution just for you all, and now this photographs is considered one of photographs collections in our finest graphics gallery ... Registered. Joined Dec 12, 2009. ·. 231 Posts. Discussion Starter · #1 · Nov 21, 2010. I need to know the wiring diagram for my 05 dakota, I had my mom wire the 2 harnesses together. The radios security light (red blinking light) works, but the radio wont power up when the faceplate is installed. Its wired how the diagrams we found show it. Fuse box diagram (fuse layout), location and assignment of fuses and relays Dodge Dakota (2005, 2006, 2007, 2008, 2009, 2010, 2011). eBay Motors makes it easy to find parts for cars, trucks, SUVs, motorcycles & more. We even offer a massive selection of new & pre-owned classics, hot rods, exotics, vans, ATVs, RVs, boats and more at eBay Motors. Shop for your next vehicle, or start selling in a marketplace with 171 million buyers.
Best Of 36 Design 2005 Dodge Dakota Radio Wiring Diagram Dodge Dakota Dodge Dodge Ram . Chrysler 300 Stereo Wiring Diagram Interkulinterpretor In 2021 Chrysler 300 Dodge Charger 2012 Dodge Charger . Tagged 05 dodge ram 1500 radio wiring diagram, ...
Whether you want to know how to change your radio in your 2000 Dodge Dakota or figure our why car radio stopped working, a 2000 Dodge Dakota radio wiring diagram can save you a lot of time. Knowing what every wire does in your 2000 Dodge Dakota radio wire harness takes the guess work out of changing your car radio or fixing your car stereo.
MoparPartsGiant.com offers the wholesale prices for genuine 2005 Dodge Dakota parts.Parts like . Radio are shipped directly from authorized Mopar dealers and backed by the manufacturer's warranty.. Parts fit for the following vehicle options. Engine: 6 Cyl 3.7L, 8 Cyl 4.7L. Transmission: 4-Speed Automatic Transmission, 5-Speed Automatic Transmission, 6-Speed Manual Transmission.
Need a stereo wiring diagram for a 2005 dodge dakota slt with the 6 disc changer trying to install aftermarket stereo - Answered by a verified Dodge Mechanic. We use cookies to give you the best possible experience on our website.
Feel free to use any 2005 Dodge Dakota radio wire diagram that is listed here but keep in mind that all information here is provided as is without any warranty of any kind. Use of this 2005 Dodge Dakota stereo wiring guide is at your own risk. Always verify all radio wire, stereo wire colors and wiring information before applying it to your ...
Dodge Dakota Radio Wiring Diagram. Dodge Dakota Radio Wiring Diagram. Master Recipes. 167 followers . Dodge Dakota ... Car Drawing Easy. 2005 Dodge Durango. Ford Taurus. E36 Compact. Car Symbols. More information.... More like this. Kids Bouncy Castle. Pub Design. Restaurant Design. Inglenook Fireplace. Pub Set. Wow Products. Dom. Play Houses ...
2005 Dodge Dakota Trailer Wiring Diagram - A wiring diagram can be a simple classic pictorial depiction of any electric powered circuit, using its cords and links depicted as dots. It symbolizes the electric circuits components as easy styles, together with the true power and floor links between them as coloured groups.
Car stereo wiring diagram for a 2005 dodge neon you dont need a wiring diagram for the radio. all the wires with the new radio and the stock one will match in color. you just gotta get a wiring harness and a dash kig
Listed below is the vehicle specific wiring diagram for your car alarm remote starter or keyless entry installation into your 2004 2005 dodge durango this information outlines the wires location color and polarity to help you identify the proper connection spots in the vehicle. Car radio switched 12v wire. Car radio constant 12v wire.
Tomorrow at work I have to install a stereo in a 2006 Dodge Dakota without the Infinity sound system. The previous owner cut the factory harness so I cannot just get a harness connector. Does anyone have a wiring diagram or know the wire colors? I can figure it out using a multi-meter and time, but it would be easier with a diagram. Thanks for any help!!! -Chris------------------
Dodge Dakota Wiring Diagrams/Pin Outs/Locations. I have started to collect wiring diagrams, and connector views for Dodge Dakotas ranging from 1997 to 2003. I will add them as I collect them, so if you do not see something you need, please let me know and I will try to add it next. Also, if you have something to submit, please send it to here. .
Listed below is the vehicle specific wiring diagram for your car alarm, remote starter or keyless entry installation into your 2005- Dodge Dakota . This information outlines the wires location, color and polarity to help you identify the proper connection spots in the vehicle. Please be sure to test all of your wires with a digital multimeter ...
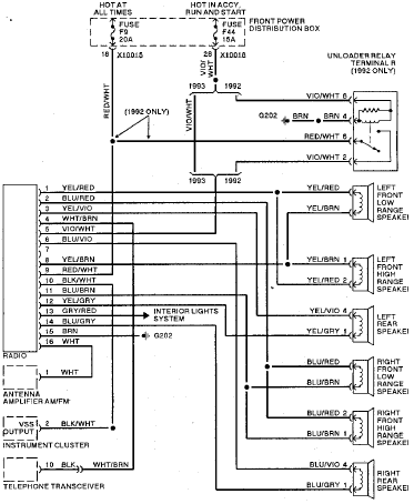
2005 Dodge Dakota Radio Wiring Diagram from diagramweb.net To properly read a cabling diagram, one offers to find out how the particular components inside the system operate. For instance , in case a module is usually powered up and it also sends out the signal of fifty percent the voltage in addition to the technician does not know this, he'd ...
Arrows arenââ¬â¢t just whittled out of wood with sharpened points. They truly are a work of art. No two are alike. There are many components to an arrow. It takes a considerable amount of time to construct an arrow to exact precision.
2005 Dodge Dakota Stereo Wire Diagram. < Prev Topic Next Topic >. jrich8503. Member - Posts: 1. Joined: September 29, 2009. Location: Missouri, United States. Posted: September 29, 2009 at 4:11 PM / IP Logged. im hooking up a line output converter to my '05 dakota. and i was trying to figure out the wire colors for my left/right rear speakers ...
2005 Dodge Dakota Radio Wiring. 2005 Dodge Dakota Radio Wiring from detoxicrecenze.com. Print the wiring diagram off plus use highlighters to trace the signal. When you make use of your finger or perhaps the actual circuit with your eyes, it is easy to mistrace the circuit. 1 trick that We 2 to printing a similar wiring plan off twice.
The car is accompanied by a large portfolio of receipts and photographs tracing its history back through two prior owners to 1970s. Original Owners Instruction booklet, lubrication chart, and tuning diagram are included, as well as original advertising literature. The car is accompanied by a “period correct†Delco radio unit, uninstalled.
Fit Dodge Dakota Factory Speaker Replacement Kicker (2)DSC65 & CXA $ Buy It Now. or Best Offer. Free Shipping. Car stereo wiring diagram for a dodge neon you dont need a wiring diagram for the radio. all the wires with the new radio and the stock one will match in color. you just gotta get . Dodge Dakota Car Radio Wiring Diagram.
May 04, 2017 · • Wiring Diagram information. Level 3: If AFTER you’ve read this user manual in its entirely (including all the knowledge base articles) and your issue doesn’t fall within either Level 1 or Level 2 support definitions and still require additional assistance, contact the wiTECH Helpdesk via email at [email protected] or via phone at 844 ...
Best Of 36 Design 2005 Dodge Dakota Radio Wiring Diagram Dodge Dakota Dodge Ram 2500 Dodge Ram. 10 Chevy Truck Trailer Wiring Diagram Trailer Wiring Diagram Car Trailer Truck And Trailer. 2006 5 7 Hemi Wiring Harness Diagram In 2021 Dodge Ram 1500 Dodge Ram Dodge. 77 Awesome Chrysler Radio Wiring Diagram Chrysler Town And Country Trailer Light ...
0 Response to "37 2005 dodge dakota radio wiring diagram"
Post a Comment