Iklan 300x250

39 2003 ford taurus wiring diagram

21 posts related to 2003 Ford Escape Engine Diagram. 2003 Bmw X5 Engine Diagram. Ford Escape Trailer Wiring Diagram. 2003 Audi Tt Engine Diagram. 2017 Ford Escape Trailer Wiring Diagram. 2001 Ford Escape Ignition Coil Diagram. 2009 Ford Escape Trailer Wiring Diagram. 2012 Ford Escape Trailer Wiring Diagram. 2002 Ford Escape Alternator Wiring ...

Are you looking for information about Lone Star Log Cabin Quilt Pattern Free? In this article, you will find a number of highest-rated Lone Star Log Cabin Quilt Pattern Free pictures we found on the internet.

We essentially believe you can easily understand it as one of your hint and we appreciate your time surfing our Makita Jr3000v Parts Diagram webpage. You can show this image with your beloved friends, families, co-worker via social media such as Facebook, Google plus, Twitter, Pinterest, or any supplementary bookmarking sites.

2003 ford taurus wiring diagram

2003 ford taurus wiring diagram

2005 10 toyota avalon consumer guide auto, chevy cobalt slime green on 26s forgiato youtube,

spainhour furniture co 1963 my antique furniture collection, double sided gas fireplace warmer unique room divider,

alfa romeo 75 specs photos 1985 1986 1987 1988, 1967 alfa romeo tipo 33 stradale price and specifications,

2003 ford taurus wiring diagram.

2020 Feb 9 - Engine Wiring Diagram For 8 Ford Ranger Hood - engine wiring diagram for ... I need a fuse box diagram for a 2003 Ford Taurus 3.0 liter V6.

waterfall between autumn trees covered forest with, chinese hd backgrounds pixelstalk net,

Are you looking for information about How Much To Rent A Carpet Cleaner From Safeway? In this article, you will find some highest-rated How Much To Rent A Carpet Cleaner From Safeway pictures we unearthed on the internet.

We understand this kind of Belt Diagram For A 2003 Ford Taurus graphic could be the most trending topic and distribute it for Google benefit or Facebook. We strive to introduce it in this posting in the past this may be one of superb recommendations for any Belt Diagram For A 2003 Ford Taurus options.

crunchyroll my hero academia training of the dead, anime cool deku vs naruto wallpapers wallpaper cave,

Do you want to know more information about Dayton Light Commercial Residential Portable Air Conditioners? In this article, you will find many highest-rated Dayton Light Commercial Residential Portable Air Conditioners pictures we unearthed on the internet.

Aug 21, 2010 — Knowing what every wire does in your 2003 Ford Taurus radio wire harness takes the guess work out of changing your car radio or fixing your car ...

Commando Car Alarms offers free wiring diagrams for your 2000-2003 Ford Taurus. Use this information for installing car alarm, remote car starters and ...

fallout 76 camp build design modern house tutorial 5, fallout 76 order of the tadpole scout exam answers,

chinese electric vehicle maker nio makes bumpy start, what is workhorse s stock price,

First couple pages are coming off (see all pics). Other than that book is in good condition. used factory manual wiring diagrams book. You will find wiring ...

ops cold war 4k hd call of duty black wallpapers hd, lagoon nebula 4k wallpapers hd wallpapers id 27066,

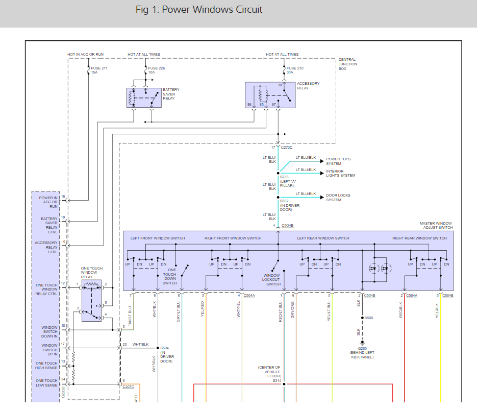
Power Windows Not Working: I Just Purchased a 2002 Ford ...

Power windows not working: i just purchased a 2002 ford ...

Do you want to know more information about Colorful And Welcoming Retreat By Isla Architects? In this article, you will find several highest-rated Colorful And Welcoming Retreat By Isla Architects pictures we found on the internet.

2002 Ford Taurus Wiring Diagram - Wiring Diagram Service ...

2002 ford taurus wiring diagram - wiring diagram service ...

Do you want to know more information about Fdw101 Viking Dishwasher? In this article, you will find several highest-rated Fdw101 Viking Dishwasher pictures we found on the internet.

Spark plug wiring diagram for 2003 ford taurus 3.0 l - Fixya

Spark plug wiring diagram for 2003 ford taurus 3.0 l - fixya

Used factory 2003 Ford Taurus/Mercury Sable Factory service manual, and the wiring diagrams manual. What you see is what you will receive Alot of useful ...

Need radio wiring diagram for 2003 Ford Taurus. | Taurus Car ...

Need radio wiring diagram for 2003 ford taurus. | taurus car ...

Apr 19, 2007 — ive got a 1998 ford taurus 3.0 v6. im trying to hook up a new stereo without a wiring harness. im having difficulty finding the wiring diagram ...2003 Ford Taurus SES Head Unit InstallApr 5, 20162002 Taurus SES radio wiring diagram?Feb 1, 20162003 Stereo Wiring Harness | Taurus Car Club of AmericaDec 20, 20092008 Radio Wiring Diagram | Taurus Car Club of AmericaAug 26, 2012More results from www.taurusclub.com

Wiring Diagram | Taurus Car Club of America : Ford Taurus Forum

Wiring diagram | taurus car club of america : ford taurus forum

Wiring Diagram | Taurus Car Club of America : Ford Taurus Forum

Wiring diagram | taurus car club of america : ford taurus forum

2003 Ford Taurus Spark Plug and Wire Replacement

2003 ford taurus spark plug and wire replacement

2003 Ford Taurus 3.0 liter v6 fuse box diagram | Fuse box ...

2003 ford taurus 3.0 liter v6 fuse box diagram | fuse box ...

What is the part number of the 20-pin harness for the stereo ...

What is the part number of the 20-pin harness for the stereo ...

2003 Ford Taurus & Mercury Sable Wiring Diagrams Manual ...

2003 ford taurus & mercury sable wiring diagrams manual ...

1997 Taurus GL aftermarket stereo wiring questions help ...

1997 taurus gl aftermarket stereo wiring questions help ...

Ford Taurus 2000 Wiring | PDF | Ford Taurus | Rear Wheel ...

Ford taurus 2000 wiring | pdf | ford taurus | rear wheel ...

Speaker wire color codes 2003 ford taurus - Fixya

Speaker wire color codes 2003 ford taurus - fixya

2000-2003 Ford Taurus Remote Start w/Keyless Pictorial

2000-2003 ford taurus remote start w/keyless pictorial

Radio Wiring: Hi 2 Car Pros, I Am Installing a Stereo ...

Radio wiring: hi 2 car pros, i am installing a stereo ...

2001 Ford Taurus Stock Radio diagram? | Ford

2001 ford taurus stock radio diagram? | ford

I am looking for the stereo wiring diagram for 2005 Ford ...

I am looking for the stereo wiring diagram for 2005 ford ...

Fig. 1: Cooling Fan Circuit - Taurus-club.ru

Fig. 1: cooling fan circuit - taurus-club.ru

1997 Wiring Diagram | Taurus Car Club of America : Ford ...

1997 wiring diagram | taurus car club of america : ford ...

Where can i find a wire diagram for a 07 taurus audio system ...

Where can i find a wire diagram for a 07 taurus audio system ...

I have a 2001 ford taurus and the high beams do not work ...

I have a 2001 ford taurus and the high beams do not work ...

2000 ford taurus se. The auto headlight control is not ...

2000 ford taurus se. the auto headlight control is not ...

2003 Ford Taurus & Mercury Sable Wiring Diagrams Manual ...

2003 ford taurus & mercury sable wiring diagrams manual ...

2003 FORD TAURUS MERCURY SABLE FACTORY WIRING DIAGRAMS MANUAL ...

2003 ford taurus mercury sable factory wiring diagrams manual ...

Radio Wiring: Hi 2 Car Pros, I Am Installing a Stereo ...

Radio wiring: hi 2 car pros, i am installing a stereo ...

2001 ford Taurus Radio Wiring Diagram in 2021 | House wiring ...

2001 ford taurus radio wiring diagram in 2021 | house wiring ...

2005 Ford Taurus & Mercury Sable Wiring Diagrams Manual ...

2005 ford taurus & mercury sable wiring diagrams manual ...

SOLVED: Dome light wiring diagram ford Taurus 3.0 - Fixya

Solved: dome light wiring diagram ford taurus 3.0 - fixya

Pin on Wiring Diagram

Pin on wiring diagram

All Wiring Diagrams for Ford Taurus SEL 2008 model – Wiring ...

All wiring diagrams for ford taurus sel 2008 model – wiring ...

2002 Ford Taurus & Mercury Sable Wiring Diagram Manual ...

2002 ford taurus & mercury sable wiring diagram manual ...

2002 Ford Taurus Wiring Diagram - Wiring Diagram Service ...

2002 ford taurus wiring diagram - wiring diagram service ...

Rap Module Wiring Diagram | Taurus Car Club of America : Ford ...

Rap module wiring diagram | taurus car club of america : ford ...

What is the part number of the 20-pin harness for the stereo ...

What is the part number of the 20-pin harness for the stereo ...

Ford f150 fuse box problems. Wiring Diagram 18572. - Amazing ...

Ford f150 fuse box problems. wiring diagram 18572. - amazing ...

What is the radio wiring diagram for my 1991 ford taurus im ...

What is the radio wiring diagram for my 1991 ford taurus im ...

Ford Taurus Questions - Not crank no start - CarGurus

Ford taurus questions - not crank no start - cargurus

Wiring Diagram Diagnostics #1: 2003 Ford F-150 No Start Theft Light Flashing

Wiring diagram diagnostics #1: 2003 ford f-150 no start theft light flashing

0 Response to "39 2003 ford taurus wiring diagram"

Post a Comment

Iklan Atas Artikel

Iklan Tengah Artikel 1

Iklan Tengah Artikel 2

Iklan Bawah Artikel