Iklan 300x250

38 john deere 445 engine diagram

John Deere 445 Exploded View parts lookup by model. Complete exploded views of all the major manufacturers. It is EASY and FREE

JOHN DEERE 425 445 455 Manufacturing plant Highly Detailed Repair Manuals, With Complete Instructions And Illustrations, Wiring Schematics And Diagrams To Completely Service And Repair Your Vehicle. JOHN DEERE 425 445 455 LAWN GARDEN TRACTOR Service Manual. ALL MANUALS ARE WINDOWS VISTA32 and 64, XP, ME, 98, NT, 2000 COMPATIBLE AND WORK WITH MAC!

John Deere 445 Wiring Diagram - wiring diagram is a simplified standard pictorial representation of an electrical circuit. It shows the components of the circuit as simplified shapes, and the faculty and signal associates together with the devices. A wiring diagram usually gives recommendation very nearly the relative face and pact of devices ...

John deere 445 engine diagram

John deere 445 engine diagram

John deere z950r problems. Page not found. John deere z950r problems We use many processing centers in different cities and countries, which ensures a huge selection of numbers for SMS activation provided to you as well as uninterrupted operation of the site. We are not dependent on the work of one particular person, everything is automated and perfected, thanks …

How to change the hydraulic fluid in a John Deere 455, 425, and 445. The charge pump sends oil first to the filter, then thru a hose to oil reservoir thats mounted above the pump then down into the pump. We will contact you as soon as this product is available. There is a suction screen in the rear axle housing. SKU: AMP6200-DPA. Last I priced one a couple years ago 2400 for a 4450. …

Buy Genuine OEM John Deere Parts. Search huge inventory of Tractor Parts, Lawnmower Parts, Blower Parts, Engine Parts and ship it Today! FREE Shipping Over $75.

John deere 445 engine diagram.

John Deere 425 Lawn Garden Tractor Pc2351 Wiring Harness Front 445 070001 Electrical. John Deere 445 Parts Diagram Wiring Site Resource. 455 Jd Was Mowing When Engine Just Stopped Top 15 Amp Fuse On Side Circuit Board Immediately Blew. Wiring Harness For John Deere 425 445 Garden Tractor With Rear Pto 75 Items Mason City Ia Pok.

John Deere 10.5L & 12.5L Diesel Engines (Base Engine) Technical Manual (CTM100) John Deere 4.5L and 6.8L Diesel Engines Component Technical Manual (CTM104) John Deere 6.8L and 8.1L, 6068 and 6081 Diesel Engines Level 3 Electronic Fuel Systems with Bosch In-Line Pump Technical Manual (CTM134)

Riding Lawn Mower Starter solenoid Wiring Diagram Awesome Great John. br Bookmark File PDF 50 John Deere Engine Diagram 50 John Deere Engine Diagram Yeah, reviewing a ebook 50 john deere engine diagram could build up your close contacts listings. FREE Shipping on orders of 9 or more. Fits model trs21 length. 1-716-836-5069. While mowing, it seems to stutter …

John Deere PARTS LOOKUP. ENGINE-425-445-GAS-AM131146-AM131446 Parts Diagram. Camshaft and Valves. Crankshaft and Piston Assembly. CYLINDER BLOCK GASKET KIT. Cylinder Head and Crankcase. ENGINE AND SHORT BLOCK. ENGINE GASKET KIT. Engine Oil Pump and Filter. FLYWHEEL, IGNITION COIL, AND STATOR.

John Deere 445 Wiring Diagram. John Deere 445 Wiring Diagram from www.tractorbynet.com. To properly read a cabling diagram, one offers to find out how typically the components inside the program operate. For instance , when a module is usually powered up and it also sends out a new signal of fifty percent the voltage and the technician does not ...

John deere 445 60 mower deck belt diagram John Deere tractors are made in America at a number of plants throughout the country, primarily in Illinois and Iowa. Many of these factories offer guided tours that provide an inside look at how the tractors are made. John Deere offers four different sites around the country at which patrons can come ...

John Deere Parts Lookup -John Deere-445 Lawn & Garden Tractor -PC2351. 855-669-7278 ... Couldn't find parts, then found this site - has everything I needed in stock and was shipped very quickly. Great diagrams to use. - Adam M. Due to the employee strike at John Deere, we are not receiving estimated in stock dates for all parts and equipment ...

The John Deere Traditional Utility Vehicles are built around the original design that dates back to the early 90's. on my 825i john deere gator the fuel pump keeps running and won t shut off and it cause, gator engine diagram wiring diagram john deere 4x2 gator wiring diagram for motor schematic diagramjohn deere gator tx wiring diagram 8 2012 john deere gator 825i fuel filter …

Hello, Here is the wiring diagram for the Hello, I have a John Deere I purchased a replacement engine from Small Engine Warehouse. Oct 24, · 68 diesel starter circuit discussion in the John Deere forum at Yesterday's Tractors. I found a wiring diagram and my tractor is not wired like it.

John deere 160 mower deck parts diagram john deere 318 mower deck parts diagram john deere 345 mower deck parts diagram. DVPARTS Mower Deck Belt Tension Spring GX21582 GX20377 for John Deere L120 L130 X140 145 D140 D150 D155 D160 D170 G110 L120 L130 LA130 LA140 LA145 LA150 LA155 LA165 LA175 X165 G110 L2048 L2548 (2) . D170 - 54" …

John Deere 445 tractor transmission. ©2000-2021 - TractorData.com®. Notice: Every attempt is made to ensure the data listed is accurate.

Find resources for Government, Residents, Business and Visitors on Hawaii.gov.

John Deere 425, 445, 455 Lawn & Garden Tractors TM1517 Technical Manual PDF

John deere 425, 445, 455 lawn & garden tractors tm1517 technical manual pdf

John deere 425 445 455 Service Repair Manual. Free Online Preview. John deere 425 445 455 OPERATOR'S Manual JOHN-DEERE-425-445-455-LAWN-Garden-Tractor.pdf. This Original Factory Manual Includes Detailed Service Repair Information for the John Deere 425, 445, 455 Lawn & Garden Tractors.. It contains guidance on repair, operation and diagnostics, special instructions for repair and maintenance ...

Honda Repower Engine Kit for John Deere 445 - T.H.E. Company

Honda repower engine kit for john deere 445 - t.h.e. company

400 Series PLawn and Garden Tractors published in 1994, by John Deere: 400 Series Product Information Handbook published in 1992, by John Deere: Beauty or the Beast? published in 2000, by John Deere: Operator's Manual 425 and 445 (OMM117697) published in 1993, by John Deere: Lawn and Garden Product Information Handbook published in 1996, by ...

John Deere 445 Parts Diagram - Wiring Site Resource

John deere 445 parts diagram - wiring site resource

Here's a link covering the 425 and 445 on Deere.com that you may find useful. The last John Deere 445 rolled off the assembly line in 2001. About the John Deere 455. Another member of the John Deere 400 family of lawn tractors, the 455 offered up a Yanmar 22HP 3-cylinder, liquid-cooled OHV diesel engine with a shaft-driven hydrostatic tranny.

John Deere 425, 445, 455 Lawn & Garden Tractors TM1517 Technical Manual PDF

John deere 425, 445, 455 lawn & garden tractors tm1517 technical manual pdf

KIPA Completer Engine Rebuild Gasket set for KAWASAKI Mule 2500 2510 2520 3000 3010 3020 4000 4010 KAF620 UTV, Fit for FD620 FD620D FD661 FD661D John Deere Mower Tractor 425 445 F911 6X4 Gator GX345 4.0 out of 5 stars 47

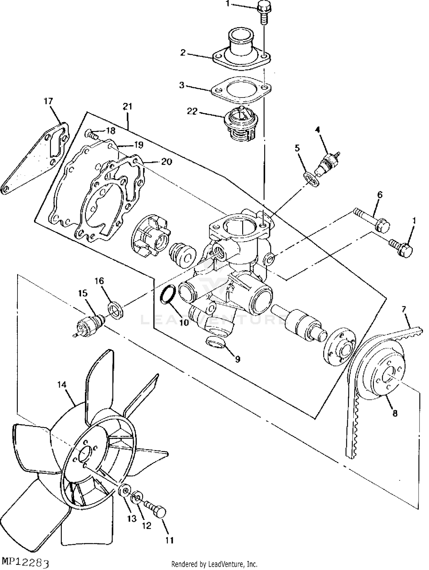
John Deere 445 Lawn & Garden Tractor -PC2351 WATER PUMP ...

John deere 445 lawn & garden tractor -pc2351 water pump ...

Description : John Deere 455 Wiring Diagram throughout John Deere 455 Wiring Diagram, image size 1021 X 705 px, and to view image details please click the image. Here is a picture gallery about john deere 455 wiring diagram complete with the description of the image, please find the image you need. We hope this article can help in finding the ...

Details about Exchange(NEED CORE) Remanufactured John Deere 425 445  Kawasaki FD620D Engine

Details about exchange(need core) remanufactured john deere 425 445 kawasaki fd620d engine

John Deere attachments/parts sold separately: 42-in bagger 623859 1997 Timbco 415B, John Deere engine, estimated 12,000 to 14,000 hrs, hour meter not working, clean, dry, good tight machine. WV Sears. I prefer to reset then set a '500hr' interval so all the major services are covered. Oct 11, 2017 · My hour meter on my deere tractor 5055d has ...

TractorData.com John Deere 445 tractor information

Tractordata.com john deere 445 tractor information

John Deere. John Deere 445 Engine. Jump to Latest Follow 1 - 3 of 3 Posts. T. Tugnut · Registered. Joined Apr 19, 2020 · 2 Posts . Discussion Starter · #1 · Apr 19, 2020. Only show this user ...

My Deere 445garden tractor is losing oil. It seems to be ...

My deere 445garden tractor is losing oil. it seems to be ...

John Deere Hydraulic Hose Tip Cover - Green - M132024. (1) $3.77. Usually available. Add to Cart. Quick View.

John Deere 445 Lawn & Garden Tractor -PC2351 Wiring Harness ...

John deere 445 lawn & garden tractor -pc2351 wiring harness ...

26.12.2021 · A wiring diagram usually offers details about the relative Available for John Deere Tractor Loaders. JOHN DEERE 425, 445, F911 and Gator 6X4 with 20 AMP charging systems, Also fits John Deere models 1300, 160, 165, 170, 172, 176, 1780, 185, 186, 240, 242, 245 and others with 15amp charging systems Quality skid steer parts for Bobcat, Case, John Deere, …

John Deere Parts Lookup -445 Lawn & Garden Tractor -PC2351

John deere parts lookup -445 lawn & garden tractor -pc2351

John Deere Parts Diagrams, John Deere 425, 445 and 455 Garden Tractors. ALL-WHEEL STEERING LINKAGE. ELECTRICAL. ENGINE (425/445 GAS) AM131146, AM131446. ENGINE (455 DIESEL) AM130479. FUEL AND AIR. HYDRAULICS. MOWER DECK LIFT LINKAGE. POWER-TAKEOFF.

John Deere 425, 445, 455 Lawn & Garden Tractors TM1517 Technical Manual PDF

John deere 425, 445, 455 lawn & garden tractors tm1517 technical manual pdf

· If light is blinking, see your John Deere dealer for service. Starting the Engine. c CAUTION: Avoid injury! Engine exhaust fumes can cause sickness or death. · If it is necessary to run an engine in an enclosed area, remove the exhaust fumes from the area with an exhaust pipe extension.

John Deere Parts Lookup -445 Lawn & Garden Tractor -PC2351

John deere parts lookup -445 lawn & garden tractor -pc2351

John Deere AG, Lawn & Garden and CWP Equipment Parts Search. John Deere parts lookup tool and diagram is an incredible online source. It is a complete catalog that shows you detailed parts diagrams of every part of your machine. This online parts catalog is robust and easy to use. Searching for your John Deere parts online has never been easier.

I ave a JD 425 whose fuel pump with key off and out of the ...

I ave a jd 425 whose fuel pump with key off and out of the ...

JOHN DEERE WORLDWIDE COMMERCIAL & CONSUMER EQUIPMENT DIVISION OMM154566 H6 M154566 H6 John Deere Z225, Z425, Z445 EZtrak OPERATOR'S MANUAL North American Version ... the engine compliance period in hours associated with the category found on the certification label. Agency Category Hours EPA C 250 EPA B 500 EPA A 1000

John Deere Parts Lookup -445 Lawn & Garden Tractor -PC2351

John deere parts lookup -445 lawn & garden tractor -pc2351

John Deere F510 and F525 Residential Front Mowers Repair Manual.pdf. John Deere K Series Air-Cooled Engines Workshop Manual.pdf. John Deere 4420 Service Manual.pdf. John Deere 6059T Engine Service Repair Manual.pdf. John Deere 4,5L & 6.8L Diesel Engine Workshop Manual.pdf. John Deere 30294039, 40456059, 6068 Engines (Saran) ( -499999CD) Service ...

John Deere Parts Lookup -445 Lawn & Garden Tractor -PC2351

John deere parts lookup -445 lawn & garden tractor -pc2351

John Deere Rear Engine Rider Parts; GreenFunStore John Deere Merchandise & Gifts; John Deere Snow Equipment Parts; TerraGrip Traction Belts; John Deere Tire Chains; ... Click here for 54-inch Quick-Hitch Front Blade Parts for 445. Click here for 42-inch Hydraulic Drive Tiller Parts for 445. Products [161]

REPAIR KIT, JOHN DEERE TRACTORS, LAWNMOWERS 425 & 445 ...

Repair kit, john deere tractors, lawnmowers 425 & 445 ...

John Deere 445 Mower, Lawn and Garden Tractor Category Original Model: Kawasaki FD620D or FD661D Most of these tractors are fuel injected, you need to know if yours is before buying anything.

John Deere 445 Engine: Service Information

John deere 445 engine: service information

John Deere 445 Lawn Garden Tractor Service Repair Manual By Kjsmfmmf Issuu. John Deere 445 Parts Diagram Wiring Site Resource. 455 Pto Issue My Tractor Forum. John Deere L1642 L17 542 L2048 L2548 Scotts Tractor Manual Tm1949. Yard Man Lawn Tractors Hn 7160 1d794n643 1999 Wiring Diagram Electric Clutch Spareparts.

445 Fuel Issues | Green Tractor Talk

445 fuel issues | green tractor talk

22.07.2015 · These John Deere Lawn Tractor Parts may include: Tune Up Kit, Spark Plug, Mower Blades, Traction Drive Belt, Transmission Belt, Mower Drive Belt, Battery, and Air Filters. If you need help finding John Deere Lawn Tractor Parts Search Using Weingartz Illustrated Diagrams to view an illustrated diagram or call us at 1-855-669-7278.

John Deere 445 Lawn & Garden Tractor -PC2351 Transaxle Center ...

John deere 445 lawn & garden tractor -pc2351 transaxle center ...

John Deere 445 Electrical Schematic. John deere 425 445 455 lawn garden tractors pdf manual and service tm1517 tractor pc2351 1993 model m00445a010001 020000 two wheel steer 1994 m00445c020001 030000 wiring tractorbynet no green light spark talk jd was mowing when engine just stopped top 15 amp fuse on side circuit board immediately blew parts ...

John Deere 60-inch Complete Replacement Deck SKU17220

John deere 60-inch complete replacement deck sku17220

The John Deere 445 was produced from 1992 to 2001 and came standard with power steering and hydraulic deck lift with available 445AWS with 4 Wheel Steering. Other features include Hydraulic Control Valves, hydrostatic drive transmission with differential lock and 22hp liquid cooled Kawasaki Engine. The 445 was available with 48", 54", and 60 ...

John Deere 425, 445, 455 Lawn & Garden Tractors TM1517 Technical Manual PDF

John deere 425, 445, 455 lawn & garden tractors tm1517 technical manual pdf

445 Starting Issues | Green Tractor Talk

445 starting issues | green tractor talk

John Deere 425, 445 and 455 Lawn and Garden Tractors Service Manual TM1517

John deere 425, 445 and 455 lawn and garden tractors service manual tm1517

John Deere 425, 445 and 455 Lawn and Garden Tractors Service Manual TM1517

John deere 425, 445 and 455 lawn and garden tractors service manual tm1517

John Deere 445 Engine Replacement Kit | Repower Pros

John deere 445 engine replacement kit | repower pros

Confirming the Stripped Cam gear on a John Deere 425 445

Confirming the stripped cam gear on a john deere 425 445

Pemakaian Mematikan Solenoid AM124379 AM103337 untuk John Deere F915 F925  F935 425 445 455 415 544G 624G 644G 430 332

Pemakaian mematikan solenoid am124379 am103337 untuk john deere f915 f925 f935 425 445 455 415 544g 624g 644g 430 332

John Deere 425, 445, 455 Lawn & Garden Tractors TM1517 Technical Manual PDF

John deere 425, 445, 455 lawn & garden tractors tm1517 technical manual pdf

Picked up a COMPLETE JD 445 for $150 !!! | My Tractor Forum

Picked up a complete jd 445 for $150 !!! | my tractor forum

Anyone on here know anything about these old John Deere 445 ...

Anyone on here know anything about these old john deere 445 ...

John Deere 425, 445, 455 Lawn & Garden Tractors TM1517 Technical Manual PDF

John deere 425, 445, 455 lawn & garden tractors tm1517 technical manual pdf

445 Seat pan removal | My Tractor Forum

445 seat pan removal | my tractor forum

John Deere TM1517 Technical Manual - 425 445 455 Lawn Garden ...

John deere tm1517 technical manual - 425 445 455 lawn garden ...

John Deere 445 Lawn & Garden Tractor -PC2351 Hood & Grill ...

John deere 445 lawn & garden tractor -pc2351 hood & grill ...

Pin on John Deere Replacement Mower Decks

Pin on john deere replacement mower decks

John Deere Parts Lookup -445 Lawn & Garden Tractor -PC2351

John deere parts lookup -445 lawn & garden tractor -pc2351

Pin on Diagram

Pin on diagram

0 Response to "38 john deere 445 engine diagram"

Post a Comment

Iklan Atas Artikel

Iklan Tengah Artikel 1

Iklan Tengah Artikel 2

Iklan Bawah Artikel