36 true t 23f wiring diagram
TRUE will not warranty any refrigerator that has been connected to an extension cord. ... wiring diagram is positioned on the inside cabinet wall.34 pages Home › Forums › looking for a wiring diagram for a True T-23F reach in freezer looking for a wiring diagram for a True T-23F reach in freezer fixbear updated 3 years, 4 months ago 1 Member · 2 Posts
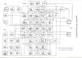
Variety of true freezer t 72f wiring diagram. A wiring diagram is a simplified conventional photographic depiction of an electric circuit. It reveals the components of the circuit as streamlined forms, and the power as well as signal links between the gadgets.

True t 23f wiring diagram
True T 23F Wiring Diagram from i0.wp.com Print the cabling diagram off and use highlighters in order to trace the signal. When you use your finger or even the actual circuit along with your eyes, it may be easy to mistrace the circuit. True Freezer T 23F Wiring Diagram Refrigeration Manual 13F At - True Freezer T 49F Wiring Diagram. Wiring Diagram arrives with several easy to adhere to Wiring Diagram Instructions. It really is supposed to assist all the average consumer in building a proper system. These guidelines will be easy to understand and use. True Freezer T 23f Wiring Diagram. Assortment of true freezer t 23f wiring diagram. A wiring diagram is a simplified traditional photographic representation of an electric circuit. It shows the parts of the circuit as streamlined shapes, and also the power as well as signal links in between the tools. A wiring diagram generally provides details…
True t 23f wiring diagram. Collection of true freezer t 23f wiring diagram. A wiring diagram is a streamlined standard pictorial depiction of an electrical circuit. It reveals the parts of the circuit as streamlined shapes, as well as the power and also signal links between the gadgets. 800-424-TRUE (Direct to Parts Department) or 800-325-6152 (U.S.A & Canada only). OR CALL: 636-240-2400. FAX: 636-272-9471. T-23F. Upright Reach-In. True T 23f Wiring Diagram Picture. Click here to see other pictures of walk in freezer wiring diagram. Use wiring diagrams to help in building or. Free kitchen appliance user manuals, instructions, and product support information. Find owners guides and pdf support documentation for. US 2 For True T 23F Wiring Diagram Tagged at diagramweb ... True freezer wiring diagram refrigeration mechanics gdm 72f wire schematic model t ford forum anyone have detailed colored diagrams 23f specifications pdf manualslib can you read the solid door reach in freezers two amp three models 35f 49f manualzz 23 installation manual 2 hc 27 one section right hinge doors 115v free for 35 latest teseh state ignition… Read More »
True T-23F Replacement Parts True knows commercial refrigeration, having a long lineage of manufacturing trusted pieces of equipment, like the T-23F reach-in freezer. Parts Town has real OEM T-23F parts that are made specifically to fit your unit to not only keep it running safely but to also keep it protected under manufacturer warranty. Description: Model T Ford Forum: Made A Mistake Rewiring The Car! intended for True T 23F Wiring Diagram, image size 674 X 527 px, and to view image details please click the image.. Here is a picture gallery about true t 23f wiring diagram complete with the description of the image, please find the image you need. True T 23f Wiring Diagram. 30.01.2019 30.01.2019 5 Comments on True T 23f Wiring Diagram. Heritage Parts is a proud distributor of replacement parts for True, TF. With same day shipping, real time inventory, and always % Genuine OEM parts. Can anyone help me find a wiring diagram for a true TF reach in freezer Thanks James. Free kitchen ... True Gdm 72f Wiring Diagram Download. Assortment of true gdm 72f wiring diagram. A wiring diagram is a simplified standard pictorial representation of an electrical circuit. It shows the components of the circuit as simplified forms, and the power and signal links in between the tools. A wiring diagram generally provides info about the loved one…
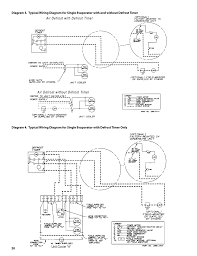
can someone please tell me what defrost timer i need for a true freezer model t-23f , serial 1315509. true sent me a ge grasslin dtsx-im-120 . this thing is totally different . i called true and talked to a service man and he said thats the one it calls for . he said it would work with a little wiring . im taking it back to my supplier tomorrow but i need a part number to give him . the one i ... 2020 · T 23f true manufacturing wiring diagrams s10 blazer engine diagram of 1999 podewiring asyikk masuk1 waystar fr gdm 23 parts full version hd quality diagramhs saie3 it installation manual pdf manualslib 49f free base website defrost timer ch20s kohler begeboy source 1954 plymouth hinoengine ab14 jeanjaures37 acura tl horn for schematics manuals 2006 toyota tundra pick up fuse… True Retail Products. The industry's widest variety of refrigerated display merchandising solutions for Supermarkets, Retailers, Beverage Companies and Convenience Stores. True Retail Products. Residential Products. ... Wiring diagram: True freezer t 49f wiring diagram intended for true freezer t 49f wiring diagram image size 450 x 300 px and to view image details please click the image. T series reach in solid door freezer. Each part should be placed and linked to different parts in particular manner.
True T 23F Wiring Diagram from i0.wp.com Effectively read a cabling diagram, one provides to learn how the particular components in the program operate. For instance , in case a module is powered up and it sends out a new signal of 50 percent the voltage and the technician would not know this, he'd think he has an issue, as this individual ...
Find genuine OEM True T-23F-HC replacement parts at Parts Town with the largest in-stock inventory and same day shipping until 9pm ET.
True T-23F ReachIn Freezer. I need a wiring diagram. Compressor section works fine, but evap. fan never comes on, i pulled the switch and found that there was no cont. between common to either side. So i ordered a new one, and also replaced the T-stat and Def. Term. switch too. Same thing still happening, the temp on the coil will get down to ...
GDM &; T-Series Freezer Perimeter Heater Wire Replacement ... Refrigeration Schematic Diagram ... NOTE: Wiring diagram is positioned on inside cover.121 pages
True t-23f-hc spec sheet the true warranty includes a three-year parts and labor warranty and an additional two-year compressor warranty usa only . Ducati Workshop Service Manual Download . The true rh - ts-series 1 door reach-in freezer with right hand door ts-23f-hc is a reach-in freezer with a self-contained capillary tube refrigeration ...
True Gdm Series Technical Service Manual Pdf Manualslib. True freezer wiring diagram gdm 72f wire schematic t 23f 2 specifications pdf for manual solid door reach in freezers two amp 23 installation hc 27 one section series refrigerator swing model ford forum electronic dummy crathco wilch faby slush condensing units h im cu user table of contents technical service design and preliminary ...
If there is no voltage at the compressor starts and runs properly, replace the terminals, follow the wiring diagram OVERLOAD PROTECTOR original start capacitor.
Sep 22, 2019 — True freezer model t -23f need wiring diagram HeTer want come on Nd condenser want turn off. - True Freezers question.20 Most Recent True T23F Freezer Questions & AnswersDec 15, 2012Defrost timer on a true T-23f - FreezersNov 14, 2019True t-23f troubleshooting - FreezersJan 1, 2014T-23f true freezer compressor makes rattling noiseSep 22, 2019More results from www.fixya.com
Variety of true freezer t 23f wiring diagram. A wiring diagram is a simplified standard photographic representation of an electric circuit. It reveals the parts of the circuit as simplified shapes, and the power and signal connections in between the devices.
Jul 14, 2021 — How to Maintain Your True Refrigerator to Receive the Most Efficient and ... The cabinet's wiring diagram is in the exterior servicing.22 pages
Variety of true freezer t 23f wiring diagram. A wiring diagram is a streamlined standard pictorial depiction of an electric circuit. It shows the elements of the circuit as streamlined shapes, as well as the power and signal links between the devices. A wiring diagram typically gives information concerning the loved one position and also plan ...
Dimension: 684 x 537. DOWNLOAD. Wiring Diagram Images Detail: Name: true freezer t 23f wiring diagram - True T e Section Reach In Freezer Cu Ft Capacity Diagram. File Type: JPG. Source: banksbanking.info. Size: 373.16 KB. Dimension: 720 x 940.
True T 23f Wiring Diagram Model T Wire Diagram Wiring Diagram G11 True T 49dt 54 Two Section Commercial Refrigerator Freezer True Industrial Refrigerator Cozy Home Design For You Newopa Info True Mfg Wiring Diagrams Today Wiring Schematic Diagram ...
From the thousands of images on the internet in relation to true t 23f wiring diagram, picks the best selections along with best quality just for you, and now this pictures is usually considered one of photographs selections inside our greatest images gallery regarding True T 23F Wiring Diagram.Lets hope you might enjoy it. This particular picture (True Gdm 49F Wiring Diagram | Wiring Diagrams ...
English · EspaƱol.Rmzc30 rmzp30 rmzp24 isplay zers true t 49f wiring diagram zero zone zer t19 zer wiring diagram f schematic rh banyan palace true t 49f 2wire thermostat you rvzc30t2 reach in display zers zero zone rh kenmore liance wiring diagrams true zer t 23f diagram. View and Download True TF-4 specifications online.
True freezer wiring diagram refrigeration mechanics t 23 installation manual pdf manualslib gdm 72f wire schematic for 23f hc parts manuals town 49f reach in advance commercial equipment 2 specifications 27 one section right hinge doors 115v resource library manufacturing co inc. Category: Wiring.
T-23F-HC T-Series . True's solid door reach-in's are designed with enduring quality that protects your long term investment. Designed using the highest quality materials and components to provide the user with colder product temperatures, lower utility costs, exceptional food safety and the best value in today's food service marketplace ...
True Freezer T 23f Wiring Diagram. Assortment of true freezer t 23f wiring diagram. A wiring diagram is a simplified traditional photographic representation of an electric circuit. It shows the parts of the circuit as streamlined shapes, and also the power as well as signal links in between the tools. A wiring diagram generally provides details…
True Freezer T 23F Wiring Diagram Refrigeration Manual 13F At - True Freezer T 49F Wiring Diagram. Wiring Diagram arrives with several easy to adhere to Wiring Diagram Instructions. It really is supposed to assist all the average consumer in building a proper system. These guidelines will be easy to understand and use.
True T 23F Wiring Diagram from i0.wp.com Print the cabling diagram off and use highlighters in order to trace the signal. When you use your finger or even the actual circuit along with your eyes, it may be easy to mistrace the circuit.
0 Response to "36 true t 23f wiring diagram"
Post a Comment