35 ford pats wiring diagram
Ford Trucks Spare Parts Catalogs, Workshop & Service Manuals PDF, Electrical Wiring Diagrams, Fault Codes free download. Ford Cargo - Sistema e Diagramas Elétricos - Wiring Diagrams.pdf. Ford Pats Wiring Diagram from ww2.justanswer.com. To properly read a cabling diagram, one offers to find out how the particular components inside the system operate. For instance , in case a module is usually powered up and it also sends out the signal of fifty percent the voltage in addition to the...
Wiring Diagrams FORD by Year. Ford 1990 Ford 1991 Ford 1992 Ford 1993 Ford 1994 Ford 1995 Ford 1996 Ford 1997 Ford 1998 Ford 1999 Ford Ford Aerostar Ford Aspire Ford Aspire SE Ford Bronco Ford Bronco II Ford C-Max Energi Ford C-Max Energi SEL Ford C-Max Hybrid SE Ford...

Ford pats wiring diagram
Does anyone have a stock PATS system from 2001-2002 that they could show a picture of the wiring from the transceiver ring to the harness/pats module? Yeah I know it needs the pats, but the Ford vehicle security system is a dealership installed item and is after-factory. Find solutions to your ford pats wiring diagram question. Ford Expedition fuel pump is shut down due to PATS system, need a readable wiring diagram so I can bypass this stupid system and drive my truck again, it has been over five months and I cannot drive ... WIRING INFORMATION: 1991 Ford Explorer WIRE WIRE COLOR WIRE LOCATION This vehicle may be equipped with Ford's PATS anti-theft system. Verify that approved PATS key (Ford Rotunda, ILCO, Strattec, HUF, or Valeo). Ford Wiring Diagrams - FreeAutoMechanic.
Ford pats wiring diagram. Picture Of Ford Pats Wiring Diagram Ford F750 Wiring Wiring Diagramf750 Wiring Diagram Wiring Diagram - bookingritzcarlton.info. A wiring diagram is a simplified standard pictorial depiction of an electrical circuit. It reveals the parts of the circuit as simplified forms, and also the power and also... Our Ford Automotive repair manuals are split into five broad categories; Ford Workshop Manuals, Ford Owners Manuals, Ford Wiring Diagrams, Ford Sales Brochures and general Miscellaneous Ford downloads. The vehicles with the most documents are the Other Model, Mustang and Ranger. We would like to show you a description here but the site won't allow us. Aug 14, 2012 · troubleshooting a no start problem on your ford 4.9l, 5.0l, or 5.8l pick up Ignition Switch Wiring Diagram What Is The Trick To Removing The from www.2carpros.com. Aug 14, 2012 · latest. We would like to show you a... Ford Pats Wiring Diagrams Catalogue Of Schemas. Ford Pats Bypass Pdf Ford Motor Company Ignition System. Ford Explorer Sport Trac Fuel System Diagram Wiring Diagram. Keylock Broke Bypass Through Ignition Harness To Start. Ford Pats Relearn Procedure Module Experts.
Ford Cargo - Sistema e Diagramas Elétricos - Wiring Diagrams.pdf. I have a ford 1 ton i need to install wiring harness. The truck is already ready for replacement as the old harness has been removed by my dad however he passed away last year abd i am on foot. I need a wiring diagram for each wire, as per the attached, which are +12v, Ground, TX and RX to enable the PATS function to be able to start the engine. Thanks in advance. Ford Focus Pats Wiring. Posted on April 8, 2019. 2001 Ford Taurus Pats System Wiring Diagram. Ford Pats Wiring Diagram. Qx5 Engine Diagram Pdf Di 2020. 1998 Ford Expedition Installed After Market Radio Now Have.
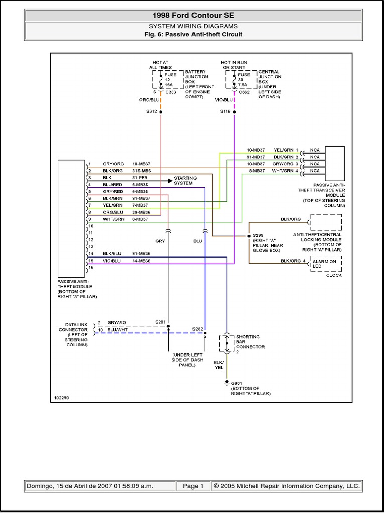
Ford Wiring Diagram - ford alternator wiring diagram internal regulator, ford pats wiring diagram, ford wiring diagram alternator, Every electric arrangement is composed of various diverse parts. Each component ought to be placed and connected with other parts in particular manner. Title : Ford Pats Wiring Diagrams. Category : Wiring Diagrams. Post Date : November 27, 2021. Read now. Download PDF. Here are wiring diagrams for Ford Escort, F-series, Fiesta, Focus, Mustang, Ranger, Kuga and Many other's. 97 Ford Contour Wiring Diagram. Looking For Diagram. Advertisement. Rancak Media.
Ford Sierra Wiring Diagram.pdf. Adobe Acrobat Document 2.5 MB. Some FORD Car Owner's Manuals, Service Manuals PDF & Wiring Diagrams are above the page - Fiesta, EcoSport, Figo, Focus, Granada, Taunus, Mustang, Ranger, RS200, Mondeo, Taurus, Sierra, Aerostar, Bronco...
Ford PATS Bypass PDF. Uploaded by. Axles. See Diagram: 1. Use about 12 of #28 Gauge wire and connect one end to pin #20 on the 30 Relay, tehn wrap the wire around the transponder that you removed from the key (make roughly ten turns), then continue the wire to the ingnition switch and...
Wiring Diagram Ford Mustang Pats System.[DIAGRAM in Pictures Database] 1999 Ford F 150 Anti Theft Wiring Diagram Just Download or Read Wiring Diagram.
Airdog Wiring Diagrams Basic Electronics Wiring Diagram The wiring diagram opens in a pop-up modal box. If the pop-up blocker is turned on in your device, you are not able to download or read online the wiring diagram. Expedition Pats Wiring Diagram Get Free Image About Wiring Diagram.
Ford Pats Bypass Wiring Color Chart Expedition 97 98 Ford Contour Ford Fuse Box. Toyota Jbl Amplifier Wiring Diagram Http Bookingritzcarlton Info Toyota Jbl Amplifier Wiring Diagram Electronics Projects For Beginners Diagram Design Jbl.
Ford ESCAPE HYBRID FCS-15101-10 Manual Online: wiring reference information, Wiring Diagrams. 2009 Escape/Mariner Hybrid Wiring Diagram Excerpts The Following Pages Are From Sections Of The 2009 Escape/Mariner Hybrid Wiring Diagrams.
Free Ford wiring diagrams for your car or truck engine, electrical system, troubleshooting, schematics, free ford wiring diagrams. If you want all the premium wiring diagrams that are available for your vehicle that are accessible on-line right now - WIRING DIAGRAMS for just $19.95 you can have full...
Print the wiring diagram off plus use highlighters to trace the signal. When you make use of your finger or perhaps the actual circuit with your eyes, it is easy to mistrace the circuit. 1 trick that We 2 to printing a similar wiring plan off twice.
I need a wiring diagram for each wire, as per the attached, which are +12v, Ground, TX and RX to enable the PATS function to be able to start the engine. A forum community dedicated to Ford Power Stroke owners and enthusiasts. Come join the discussion about diesel performance, modifications...
module wiring diagram wiring diagram b57696c ford pats wiring diagram manual wiring resources. A set of wiring diagrams may be required by the electrical inspection authority to take on board attachment of the domicile to the public electrical supply system.
WIRING INFORMATION: 1991 Ford Explorer WIRE WIRE COLOR WIRE LOCATION This vehicle may be equipped with Ford's PATS anti-theft system. Verify that approved PATS key (Ford Rotunda, ILCO, Strattec, HUF, or Valeo). Ford Wiring Diagrams - FreeAutoMechanic.
Find solutions to your ford pats wiring diagram question. Ford Expedition fuel pump is shut down due to PATS system, need a readable wiring diagram so I can bypass this stupid system and drive my truck again, it has been over five months and I cannot drive ...
Does anyone have a stock PATS system from 2001-2002 that they could show a picture of the wiring from the transceiver ring to the harness/pats module? Yeah I know it needs the pats, but the Ford vehicle security system is a dealership installed item and is after-factory.
 
     
     
     
     
     
     
     
     
     
     
     
     
     
     
     
     
     
     
    
0 Response to "35 ford pats wiring diagram"
Post a Comment