Iklan 300x250

39 saab 9-3 coolant hose diagram

The Saab 9-3 was launched in 1998 as a redesigned and enhanced successor to the Saab 900. Saab announced that 1,100 changes were made for the Saab 9-3, including sleeker styling, an improved suspension, and upgraded safety features. All U.S. Saab 9-3s featured turbocharged engines as standard. Saab manufactured over 326,000 first generation 9 ... Saab(s) previous: 2006 9-3, 2001-06 9-5, 2011 9-4X. ... Thanks for posting this, I just bought 10' of 3.5mm Vacuum hose and am getting ready to install it. It's good to see the total number of hoses that need to be replaced. ... Here is a diagram from saabnet showing the lines except for the ones going down to the heater bypass valve. The ...

Saab 9 3 Coolant Diagram 1/4 [Book] Saab 9 3 Coolant Diagram Top List of Most Common Problems with the Saab 9-3 Aug 18, 2016 · After the success of the Saab 900 and subsequent growth of the company through the late 90′, our favorite car company came out with a completely new car in 2003, as a continuation of the 9-3 name.

Saab 9-3 coolant hose diagram

Saab 9-3 coolant hose diagram

Position; BrandPart Number; Fitment YearsInventory329997608; 2003‑20116 in124418341; 2003‑2004Available In1630221; 2003‑20042 inView 50 more rows Cooling system - Saab 9-5. The cooling system is of the pressurized type with cross-flow radiator and expansion tank. The water pump is on the right-hand side of the engine and driven by the crankshaft pulley via a multigroove belt. The thermostat is placed in a housing on the left-hand side of the engine. Radiator - Expansion Tank (9-3 Parts > Engine > Radiator & Expansion Tank > Radiator - Expansion Tank) Email: customerservice@esaabparts.com. FIND PARTS. Over 20,000 Saab Genuine Parts in stock! ... Lower Radiator Hose (B207) [ORIO] Saab 12780088: Currently Unavailable. 23: 32101376. 2003-2011. Lower Radiator Hose (B207) [URO] Saab 12780088 ...

Saab 9-3 coolant hose diagram. 24 May 2015 — So i was driving down the freeway and blew a coolant hose and i need help identifying the hose. The hose goes form the the center of the ... Buy Cooling system for Saab car models. Coolant Pump Sealing Ring. £7.15 Ex Tax: £5.96 Coolant Pump Sealing RingFits following Diesel engines;9-3 (2003-2012) 1.9 TiD 150 (Z19DTH) and 1.9 .. Saab 9 3 Cooling System Parts. eEuroparts.com® stocks a variety of quality aftermarket, OEM, and genuine Saab 9 3 cooling system parts. Our most popular Saab 9 3 cooling system parts are displayed below. If you don't see the parts you're looking for, try narrowing you search with the Vehicle Selector above. Products 1 - 30 of 753 — Prevent it by servicing your Saab 9-3 with our replacement engine cooling parts. ... URO Parts® - Engine Coolant Radiator Hose.

Upper radiator water hose for Saab 9.3 NG 2003-2011 25,50 € Available. See article. Heating Hose saab 9.5 1998-2007 27,80 € Available. See article. 27% Radiator hose (radiator-water pump) saab 9000 2.0 Turbo 16 1985-1993 28,40 € 39,15 € Available. See article. 27% ... 75.00 USD. ( Sales tax and shipping costs not included ) 2003-11 SAAB 9-3 2.0T [ 1 ] Radiator Manual Trans. 75 USD. USED 2003-11 Saab 9-3 2.0T [ 1 ] Radiator Manual Transmission. SHIPPING WITHIN USA. USED 2003-11 Saab 9-3 2.0T [ 1 ] Radiator Manual Transmission. SHIPPING WITHIN USA. Saab cars & trucks turbo 4 3 coolant hose diagram questions and answers. Ask your turbo is not working on my saab td (). what do you suggest?. Results 1 - 48 of For Saab X Radiator Hose Upper PRO PARTS 12 NEW Saab Coolant Hose - From Expansion Tank ( T. My question deals with the coolant hoses. Radiator - Expansion Tank (9-3 Parts > Engine > Radiator & Expansion Tank > Radiator - Expansion Tank) Email: customerservice@esaabparts.com. FIND PARTS. Over 20,000 Saab Genuine Parts in stock! ... Lower Radiator Hose (B207) [ORIO] Saab 12780088: Currently Unavailable. 23: 32101376. 2003-2011. Lower Radiator Hose (B207) [URO] Saab 12780088 ...

Cooling system - Saab 9-5. The cooling system is of the pressurized type with cross-flow radiator and expansion tank. The water pump is on the right-hand side of the engine and driven by the crankshaft pulley via a multigroove belt. The thermostat is placed in a housing on the left-hand side of the engine. Position; BrandPart Number; Fitment YearsInventory329997608; 2003‑20116 in124418341; 2003‑2004Available In1630221; 2003‑20042 inView 50 more rows

Ng 900 9 3 Cylinder Head Removal The Saab Tech Wiki

Ng 900 9 3 Cylinder Head Removal The Saab Tech Wiki

Removal Radiator I Can Not Figure Out How To Get Radiator Out Of

Removal Radiator I Can Not Figure Out How To Get Radiator Out Of

Saab 9 3 9400 Cooling System 1998 2002 4 Cyl Diesel Epc Online Nemiga Com

Saab 9 3 9400 Cooling System 1998 2002 4 Cyl Diesel Epc Online Nemiga Com

Routing Of Coolant Hoses Tee Connector To Coolant Bypass Valve Saabcentral Forums

Routing Of Coolant Hoses Tee Connector To Coolant Bypass Valve Saabcentral Forums

Ng 900 9 3 Radiator Fan Test The Saab Tech Wiki

Ng 900 9 3 Radiator Fan Test The Saab Tech Wiki

Creed Liudnai Mechaninis Saab 9 5 Vacuum Line Diagram Malatyakigel Com

Creed Liudnai Mechaninis Saab 9 5 Vacuum Line Diagram Malatyakigel Com

Saab 12787160 Instructions In English Saabdocs Com

Saab 12787160 Instructions In English Saabdocs Com

Saab Radiator Power Steering Hose Classic Og 9 3 Youtube

Saab Radiator Power Steering Hose Classic Og 9 3 Youtube

Genuine Audi Vw 100 Avant Quattro 200 4000 50 5000 Turbo Seal Ring 171121327 Ebay

Genuine Audi Vw 100 Avant Quattro 200 4000 50 5000 Turbo Seal Ring 171121327 Ebay

Genuine Radiator For 2004 2011 Saab Part 24418338 Over 30 Off All Genuine Saab Parts Accessories Saab Parts Counter

Genuine Radiator For 2004 2011 Saab Part 24418338 Over 30 Off All Genuine Saab Parts Accessories Saab Parts Counter

1

1

Throttle Body Pcv Lower Vacuum Hose Or Bypass Valve Saabscene Saab Forum Saab Technical Information Resource

Throttle Body Pcv Lower Vacuum Hose Or Bypass Valve Saabscene Saab Forum Saab Technical Information Resource

Swedecar Saab Gallery Saabnet Com

Swedecar Saab Gallery Saabnet Com

Volvo Radiator Hose 31319444 Wikingerparts

Volvo Radiator Hose 31319444 Wikingerparts

Turbo Oil Water Teflon Line Kit Mhi Td04 Upgrade For Saab 9 3 9 5 Aero 2 0t Ebay

Turbo Oil Water Teflon Line Kit Mhi Td04 Upgrade For Saab 9 3 9 5 Aero 2 0t Ebay

Oem Saab 4283347 Air Shield 900 1994 Saab Usa Parts

Oem Saab 4283347 Air Shield 900 1994 Saab Usa Parts

Coolant Level Sensor 9 5 2001 Saab Workshop Information System Online

Coolant Level Sensor 9 5 2001 Saab Workshop Information System Online

Saabworld Forum

Saabworld Forum

13282869 Saab Bolt Saab Parts From Esaabparts Com

13282869 Saab Bolt Saab Parts From Esaabparts Com

Oem Saab 4940144 Hose Clamp 9 3 1998 2011 Saab Usa Parts

Oem Saab 4940144 Hose Clamp 9 3 1998 2011 Saab Usa Parts

9369950 Saab Upper Radiator Hose W O Ac Turbo 16v Saab Parts From Esaabparts Com

9369950 Saab Upper Radiator Hose W O Ac Turbo 16v Saab Parts From Esaabparts Com

Swedecar Saab Gallery Saabnet Com

Swedecar Saab Gallery Saabnet Com

Upper Radiator Hose T Connector Broke Temp Repair Saab 9 3ss Bulletin Board Saabnet Com

Upper Radiator Hose T Connector Broke Temp Repair Saab 9 3ss Bulletin Board Saabnet Com

Saab 9 3ss Sc 03 09 Intakehose 9 3 Ss Sc Saab Hose Kits

Saab 9 3ss Sc 03 09 Intakehose 9 3 Ss Sc Saab Hose Kits

Fix Hose Leaks 2003 2007 Saab 9 3 2004 Saab 9 3 Arc 2 0l 4 Cyl Turbo Convertible 2 Door

Fix Hose Leaks 2003 2007 Saab 9 3 2004 Saab 9 3 Arc 2 0l 4 Cyl Turbo Convertible 2 Door

Oem Saab 12784539 Coolant Hose 9 3 2003 2008 Saab Usa Parts

Oem Saab 12784539 Coolant Hose 9 3 2003 2008 Saab Usa Parts

Saab 9 3 Ys3f Coolant Hoses 12786816 12785081 6012598

Saab 9 3 Ys3f Coolant Hoses 12786816 12785081 6012598

55558952 Saab Hose Water Pump Outlet Elbow Saab Parts From Esaabparts Com

55558952 Saab Hose Water Pump Outlet Elbow Saab Parts From Esaabparts Com

4968913 Saab Radiator Hose Saab Parts From Esaabparts Com

4968913 Saab Radiator Hose Saab Parts From Esaabparts Com

Youngboysinlove

Youngboysinlove

Saab 9 5 Diy Coolant Bypass Valve Replacement Trionic Seven Youtube

Saab 9 5 Diy Coolant Bypass Valve Replacement Trionic Seven Youtube

How Automobile Cooling System Works Steemkr

How Automobile Cooling System Works Steemkr

1

1

Upper Radiator Hose Saab 900ng 9 3v1 Petrol 4360798

Upper Radiator Hose Saab 900ng 9 3v1 Petrol 4360798

Skipping The Coolant Bypass Valve Saab Link Forums

Skipping The Coolant Bypass Valve Saab Link Forums

Oem Saab Hose26 9 3 Radiator Hose Saab Usa Parts

Oem Saab Hose26 9 3 Radiator Hose Saab Usa Parts

Coolant Heater Hose Options Whats That Part Options Saabcentral Forums

Coolant Heater Hose Options Whats That Part Options Saabcentral Forums

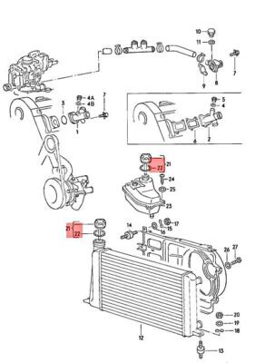
Saab 9 3 9440 Radiator Expansion Tank 2003 2011 B207 Epc Online Nemiga Com

Saab 9 3 9440 Radiator Expansion Tank 2003 2011 B207 Epc Online Nemiga Com

Hose Radiator Upper New Cb150r Streetfire K15g K15m 19062k15920 Shopee Indonesia

Hose Radiator Upper New Cb150r Streetfire K15g K15m 19062k15920 Shopee Indonesia

0 Response to "39 saab 9-3 coolant hose diagram"

Post a Comment

Iklan Atas Artikel

Iklan Tengah Artikel 1

Iklan Tengah Artikel 2

Iklan Bawah Artikel