38 md3060 allison transmission wiring diagram
Those with Allison MD3060 transmission: ... Don't have a transmission wiring diagram yet. If you do have a gauge, who is the manufacturer? ... I have the MD3060 trans and I am trying to find out from others that have the Allison MD3060 if they have a trans temp gauge and who the manufacturer is and model of gauge. Of course, any further ... Allison Md3060 Wiring Diagram. Print the electrical wiring diagram off and use highlighters to be able to trace the signal. When you use your finger or even follow the circuit together with your eyes, it may be easy to mistrace the circuit. A single trick that I 2 to print out the same wiring diagram off twice.
An Over View on Allison Automatic Transmission Wiring We didn't experience the New World Transmissions from Allison until 1995. The ER Saf -T- liner Pusher buses all came equipped with 3000 series transmissions and for the most part they were very reliable. At least until the wiring problems began a year or two later. Owning an electronic transmission meant keeping the connections clean and ...

Md3060 allison transmission wiring diagram
Sep 16, 2005. #1. Allisonman, I am new to this wonderful site, many thanks to you. Just purchased two F750's with Cat 3126 Diesel Engines and Allison's MD3060 transmissions. Will refer to the vehicles as Truck1 and Truck2. Truck 1. Model Year 2004,Miles 3,600. Problem: Code d1 4215 according to Allison Short to Battery on D Solenoid. * How to trace and verify the ALLISON MD 3060MD 3066MD 3560(P)(R) TRANSMISSION WTEC II CONTROLS wiring diagrams. * How to understand and analyze different ALLISON MD 3060MD 3066MD 3560(P)(R) TRANSMISSION WTEC II CONTROLS engine management systems * Common fixes so YOU can tell your mechanics what to do. Md3060 Allison Transmission Wiring Diagram Source: static-cdn.imageservice.cloud. Read cabling diagrams from unfavorable to positive and redraw the routine like a straight line. All circuits are usually the same : voltage, ground, single component, and changes. Md3060 Allison Transmission Wiring Diagram Source: i2.wp.com.
Md3060 allison transmission wiring diagram. John, the Allison MD3060 has three possible ways to operate a speedo; 1 - an output speed signal from the transmission ECU, 2 - a screw in speedo sender fitted into the rear transmission housing, 3 - a toothed wheel fitted to the rear flange and a speedo sender fitted to a bracket. Option 1 is available from all Allison transmission ECU's. Repair parts for the internal wiring harness and for wiring harness components attached to the shift selector will be available through the Allison Transmission Parts Distribution Center (PDC). Use the P/N from your appropriate parts catalog or from Appendix E in this manual. Allison Transmission (AT) is responsible for warranty on these parts. • May 7th, 2018 - Wiring Diagram For Allison Transmission Md3060 Wiring Diagram For Allison Transmission HAND IBIZA 2 0 GTI 16V 1993 99 HAYNES MANUAL DOWNLOAD PDF OF ELECTRICAL POWER ''allison md3060 wiring diagrams thethe co These diagrams can also be used to locate the name of a particular connector by its location on the wiring harness. World Transmission Install Diagram Connection to Gen 4 Series The NEW World Allison transmission for model # MDRDS. Connecting to the World Allison Sensor # from DICKEY-john. Connect to the TCM = Transmission Control Module = (ECU ...
Allison Transmission Diagnostics. No power to trans irv2 forums jcb allison transmission 3000 4000 wtec iii system automatic wiring connector 20 pin round schematic dtcs service manuals and 1000 2000 series increase pto lifespan torque capacity school bus mechanic electrical circuit conector hd4070 diagram fzr full 1996 holiday rambler endeavor wire harness chevy for transmissions 4th ... Allison Md3060 Wiring Diagrams PDF Online. Allison Md3060 Wiring Diagrams PDF Online is very recommended for you all who likes to reader as collector, or just read a book to fill in spare time. Allison Md3060 Wiring Diagrams PDF Online is limited edition and best seller in the years. Allison Md3060 Wiring Diagrams PDF Online Then download The diagram of the 1974 ford f100 transmission shows the location and direction of movement for all gears in the transmission. Allison transmission is responsible for warranty on these parts. Allison md3060 wiring diagrams pdf online is very recommended for you all who likes to reader as collector or just read a book to fill in spare time. Allison 1000 2000 2400 Valve Body Rebuild And Return Service 2003 World Wide Specialty Parts. Anyone Need Wiring Diagrams For Free Chevy And Gmc Duramax Sel Forum. Allison Wtec 3 Troubleshooting Manual Item Number Product Description Media Type Ts2973en Ts2973 3000 And Boomer According To The Pdf Doent. Allison Transmission 1000 And 2000 Series ...
Included in the Allison World Transmission family are the MD, HD, and B Series transmissions. The transmissions described in this handbook include the World Transmission Electronic Control system, a torque converter with lockup and torsion damper, and three planetary gear sets. These transmissions may also contain an integral Md3060 Allison Transmission Wiring Diagram - One of the most difficult automotive fix tasks that a mechanic or fix shop can bow to is the wiring, or rewiring of a car's electrical system.The suffering essentially is that all car is different. later than irritating to remove, replace or repair the wiring in an automobile, having an accurate and detailed Md3060 Allison Transmission Wiring ... Allison Transmission is responsible for warranty on these parts. •. Allison Wiring Diagram PDF - Download as PDF File .pdf), Text File .txt) or read online. Scribd is the world's largest social reading and publishing site. Search Search4/4(4).MD wiring diagram - iRV2 ForumsParts and Service Allison Md3060 Wiring Diagram. Below you can see the picture gallery from Wiring Diagram Allison Transmission Wtec Iii Simple Md On Diagr 1. allison transmission and wiring. Allison MD Automatic transmissions are electronically .. VIM, but I don't see an output labeled on the Allison wiring diagram thoughts?.
Allison 3000 Transmission Wiring Diagram Diagram Base Website Md3060 Allison Transmission Wiring Diagram
Repair parts for the internal wiring harness and for wiring harness components attached to the shift selector will be available through the Allison Transmission Parts Distribution Center (PDC). Use the P/N from your appropriate parts catalog or from Appendix E in this manual. Allison Transmission (AT) is responsible for warranty on these parts. •
Md3060 allison transmission wiring diagram free wiring diagram. Allison md3060 wiring diagrams pdf online is limited edition and best seller in the years. Tried heavy truck service 2013 but the diagram is incorrect australia spec both gearbox and engine so assume the data is incorrect.
diagram regular for stove outlet 3 wire range allison trans md3060 wiring diagram transmission of allison transmission shifter wiring diagram guidelines for selecting iii retarder controls repair guides interesting allison, 3200 4100 4200 4300 4400 7300 7400 7500 7600 7700 8500 8600 mxt rxt models built oct 1 2005 to feb
Md3060 Allison Transmission Wiring Diagram. Collection of md3060 allison transmission wiring diagram. A wiring diagram is a streamlined traditional pictorial representation of an electrical circuit. It reveals the elements of the circuit as streamlined forms, and the power and also signal connections between the devices. A wiring diagram usually provides details regarding the family member…
1 MD3060.ELE02 NI Wiring Harness (MD3060) (with Oil Level Sensor) ..... 1 MD3060.ELE03 VALVE BODY PARTS Allison 3000 Series, MD3060, MD3656. 180 ILL NO. .....DESCRIPTION YEARS QTY PART NO ILL NO. .....DESCRIPTION YEARS QTY PART NO Allison 3000 Series, MD3060, MD3656 HARD PARTS 801A Piston, Lock-up Apply (MD3060) 1 MD3060.PIS01 NI Cover ...
Parts + Service. As the world leader in fully automatic transmissions, Allison Transmission offers our customers a global network of trained technicians at our Allison Authorized Distributors and Dealers to service and care for your Allison transmission.
Allison Ts3353en Manual De Diagnostico Cec 2 Auto Repair Manual Forum Heavy Equipment Forums Download Repair Workshop Manual
Md3060 Allison Transmission Wiring Diagram - wiring diagram is a simplified pleasing pictorial representation of an electrical circuit. It shows the components of the circuit as simplified shapes, and the capacity and signal contacts between the devices. A wiring diagram usually gives information about the relative point of view and concord ...
Repair parts for the internal wiring harness and for wiring harness components attached to the shift selector will be available through the Allison Transmission Parts Distribution Center (PDC). Use the P/N from your appropriate parts catalog or from Appendix E in this manual. Allison Transmission is responsible for warranty on these parts. •
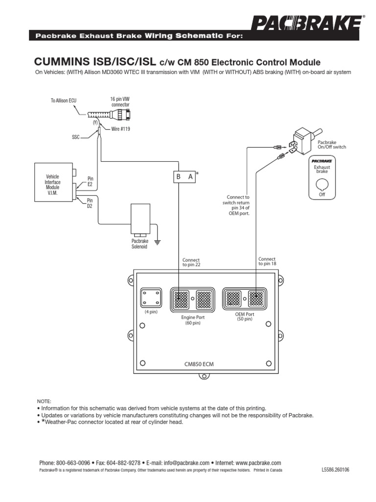
MD3060 wiring diagram. Looking for a wiring diagram that relates to the pac brake. Only ones I have found have a foot or throttle switch in the system. Mine does not. Has a VIM module. Brake hasn't worked since we got the coach. 1996 American eagle/8.3c Cummings. Repaired the ground wire from the solenoid. Brake works if you direct wire it.
Allison Transmission history. Allison Transmission is the world's largest manufacturer of automatic transmissions for commercial vehicles and off-road applications. These automatic transmissions are developed for more than 300 leading world manufacturers of equipment and are used for the following sectors of the market - buses, rescuers and utilities, builders and dispensers of products ...
Hello, I am looking to find a wiring schematic for my md3060. The serial is 6510168601 any Allison guru's on here ? Thanks
Md3060 Allison Transmission Wiring Diagram Source: static-cdn.imageservice.cloud. Read cabling diagrams from unfavorable to positive and redraw the routine like a straight line. All circuits are usually the same : voltage, ground, single component, and changes. Md3060 Allison Transmission Wiring Diagram Source: i2.wp.com.
I Have A 2000 International 4700 Toter With A Allison 6 Spd Transmission It Won T Start And No Power And Indicator
* How to trace and verify the ALLISON MD 3060MD 3066MD 3560(P)(R) TRANSMISSION WTEC II CONTROLS wiring diagrams. * How to understand and analyze different ALLISON MD 3060MD 3066MD 3560(P)(R) TRANSMISSION WTEC II CONTROLS engine management systems * Common fixes so YOU can tell your mechanics what to do.
Sep 16, 2005. #1. Allisonman, I am new to this wonderful site, many thanks to you. Just purchased two F750's with Cat 3126 Diesel Engines and Allison's MD3060 transmissions. Will refer to the vehicles as Truck1 and Truck2. Truck 1. Model Year 2004,Miles 3,600. Problem: Code d1 4215 according to Allison Short to Battery on D Solenoid.
Diagram Toyota Allion Wiring Diagram Full Version Hd Quality Wiring Diagram Kmoeskollectables Pharmacie Gambetta Fr
Allison Transmission Service Manuals Free Download Truck Manual Wiring Diagrams Fault Codes Pdf Free Download
0 Response to "38 md3060 allison transmission wiring diagram"
Post a Comment