38 exmark lazer z wiring diagram
Exmark repair parts and parts diagrams for Exmark LZ27KC605 - Exmark 60" Lazer Z Zero-Turn Mower, 27HP Kohler (SN: 670000 - 719999) (2007) Order Status Customer Support 512-288-4355 My Account Login to your PartsTree.com to view your saved list of equipment. LAZER Z ® E-SERIES For Serial Nos. 315,000,000 & Higher Lazer Z (LZE) Units PartNo. 4502-375Rev. A L
Equipped with the UltraCut Rear Discharge cutting system, the Lazer Z S-Series strikes the perfect balance of value, performance and versatility. Deck widths from 60" to 72" As low as $14,499 / $267 mo USD

Exmark lazer z wiring diagram
Exmark zero turn riding mower operating manual frontrunner. Exmark Parts Diagram Wiring Diagram Frontier Wiring Diagram Scag. Exmark Qst20be422 Exmark 42 Quest Zero Turn Mower 20hp Briggs. Exmark Lazer Wiring Diagram Electronic Schematics Collectionsexmark. Exmark Lazer Z key switch would turn engine over. Pull up the parts manual and look at the wiring diagrams, the yellow wire goes to the start. Displaying Electrical Group parts for the eXmark Lazer Z - Exmark Lazer Z Zero- Turn Mower (SN: ). Browse all parts by section for this model. Exmark Lawn Mower Ignition, Safety, PTO & Kill Switches. Find your exmark lazer z wiring diagram here for exmark lazer z wiring diagram and you can print out. Search for exmark lazer z wiring diagram here and subscribe to this site exmark lazer z wiring diagram read more!
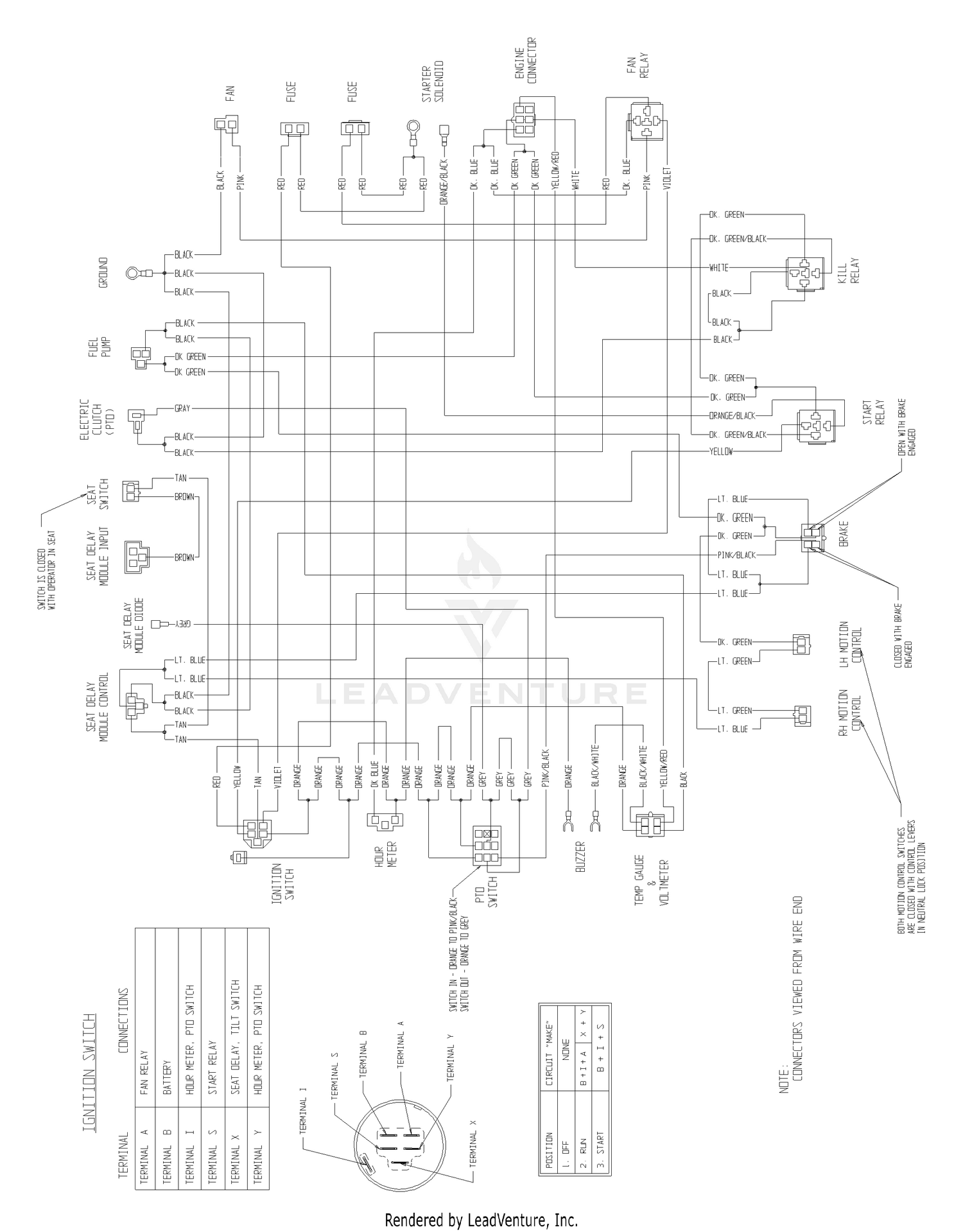
Exmark lazer z wiring diagram. 2018 Exmark Laser Z Manual Download. Airfoil 5 8 7 x 8. Strategies to one of the most asked questions will also be revealed using exmark lazer z ct wiring diagram. Exmark lazer mower parts - shank' lawn, Find parts with our diagrams. to begin, select the link below. exmark lazer z Exmark Lazer Z Mower Wiring Diagram. Exmark Lazer Z Ignition Switch Wiring Diagram Source: usermanual.wiki. Read cabling diagrams from unfavorable to positive and redraw the circuit being a straight collection. All circuits are usually the same ~ voltage, ground, solitary component, and buttons. Exmark Lazer Z Ignition Switch Wiring Diagram Source: www.exmark.com. Exmark Lazer Z HP 565 User Manual • Schematics, Electrical diagram — kawasaki, Ignition switch • Exmark Gardening equipment. Wiring Diagrams - Exmark Lazer Z Operator's Manual. Zero-turn riding mower. Show thumbs. Also See for Lazer Z.
Exmark Lazer Z HP 565 User Manual • Original mode • Schematics, Electrical diagram — kawasaki, Ignition switch • Exmark Gardening equipment. November 20, 2018 Author. Zachary Long. Home » Wiring Diagrams » Exmark Lazer Z Parts Diagram. eXmark LZ27KC606 Exmark 60 Lazer Z Zero Turn Mower 27HP Kohler SN & Cutter Housing Assembly 103 9539 Diagram and Parts List. eXmark LZE730GKA604A3 Exmark 60 Lazer Z E Series Zero Turn Mower Kawasaki FX730V SN & 2015 Seat Assembly Diagram and Parts List. Exmark Lazer Z key switch would turn engine over. Pull up the parts manual and look at the wiring diagrams, the yellow wire goes to the start. Find product manuals for Exmark mowers and lawn care equipment from and before.It is easy for all of us to over complicate even the most straight-forward service and maintenance tasks. Exmark Lazer Z HP User Manual • Schematics, Electrical diagram — kohler, Ignition switch • Exmark Gardening equipment. wiringall.com - Select eXmark LZ27KC - Exmark 60 Lazer Z Zero-Turn Mower, 27HP Kohler (SN: ) () Diagrams and order Genuine .Details about exmark lazer z hp wiring diagram has been uploaded by Ella Brouillard and tagged in ...
Exmark Lazer Z HP 565 User Manual • Schematics, Electrical diagram — kohler, Ignition switch • Exmark Gardening equipment. Exmark Ttx691cka60400 S N 400 000 And Up Parts Diagram For Electrical Assembly. Exmark lazer z hp 565 user manual e series 312 lz27kc604 lz23kc604 s n 252 000 259 999 ing fuse electrical diagram quest 4500 as 790 849 turf tracer tt20kce lhp4819ka sn 190 219 parts for kohler 26 efi kawasaki on a mower can problem my pto clutch fits cub cadet gt 1054 1997 to 1999 walker mt wiring schematic key ... Exmark Lazer Z S-Series User Manual • Schematics, Electrical diagram — kohler efi • Exmark Gardening equipment. Click below for more service videos including installing a collegiate seat on an Exmark Lazer Z mower. If you have any questions or concerns, contact the Exmark Customer Service department at 402-223-6375 or visit your local dealer. Use the features below to find Exmark operator and parts manuals.
Exmark Zero-Turn Mowers Lazer Z parts with OEM Exmark parts diagrams to find Exmark Zero-Turn Mowers Lazer Z repair parts quickly and easily Order Status Customer Support 512-288-4355 My Account Login to your PartsTree.com to view your saved list of equipment.
Exmark Lazer Z Wiring Diagram. Find product manuals for Exmark mowers and lawn care equipment from and before. Lazer Z Liquid-Cooled. Serial Number Range, Operator Manual. Exmark Lazer Z HP User Manual • Schematics, Electrical diagram — kohler, Ignition switch • Exmark Gardening equipment. Discover best Exmark Lazer Z images and ideas on ...
Exmark Lazer Z 60 Wiring Diagram. By Admin | August 3, 2018. 0 Comment. Exmark lazer z as s n 850 000 919 999 electrical diagram schematics kawasaki ignition switch hp 565 user manual page 41 48 original mode e series 312 50 60 ing fuse lawnsite is the largest and most active online forum serving green industry professionals lz23kc604 252 259 ...
Exmark Pto Switch Wiring Diagram. By Rocky Jamesh | February 6, 2019. 0 Comment. Exmark lz27kc604 user manual lazer z e series 312 hp ing fuse lz23kc604 s n 252 000 259 999 electrical diagram quest 4500 as 790 849 lhp4819ka sn 190 219 26 kawasaki on a mower can kohler efi group problem my.
Find parts for your exmark electrical diagram with our free parts lookup tool! Search easy-to-use diagrams and enjoy same-day shipping on standard Exmark ...
Description: Exmark Lazer Z - Maintenance Tips, Part 4 - Youtube in Exmark Lazer Z Parts Diagram, image size 480 X 360 px, and to view image details please click the image.. Actually, we have been remarked that exmark lazer z parts diagram is being one of the most popular field at this moment. So that we attempted to get some great exmark lazer z parts diagram image for you.
Exmark Lazer Z Advantage Series Models 0 User Manual • Schematics, Electrical diagram • Exmark Gardening equipment.
exmark lazer z 26 hp wiring diagram We collect lots of pictures about Wiring Schematic Exmark Laser with Kohler Engine and finally we upload it on our website. Many good image inspirations on our internet are the very best image selection for Wiring Schematic Exmark Laser with Kohler Engine. If you should be satisfied with some pictures we provide, please visit us this site again, don’t ...
Exmark Lz31dg724 Exmark 72 Lazer Z Zero Turn Mower 31hp Daihatsu Sn 320000 369999 2002 Parts Lookup With Diagrams Partstree
Exmark lazer Z E-Series 312 User Manual • Original mode • Schematics, Electrical diagram • Exmark Gardening equipment.
Exmark Lazer Z Belt Diagram. Oregon Exmark Exmark Lazer Z 52", 60", 72" Deck Mowers Parts Diagram. SWIPE SWIPE Previous BELT EXMARK 5/8 X 60" DECK BELT OEM #. Fortunately, belt replacement is a project you can tackle on your own. Follow the steps for taking apart an Exmark Lazer Z, removing the belts, and installing new.
Exmark Lazer Z Wiring Diagram Download. Exmark Lazer Z Wiring Diagram . Exmark Lazer Z Wiring Diagram from az417944.vo.msecnd.net Source: Exmark Lazer Z
Exmark Lz26kc604 S N 320 000 369 999 2002 Parts Diagram For Electrical Group Kawasaki 27 Hp Liquid Cooled
Details about exmark lazer z hp wiring diagram has been uploaded by Ella Brouillard and tagged in this category. In some cases, we may have to slightly change the style, color, or even equipment. We require a new thought for it then one of them is this exmark lazer z hp wiring diagram. schematron.org: exmark ignition switch. From The Community. Try Prime All Starter Ignition Switch Exmark ...
Exmark Lazer Z Ignition Switch Wiring Diagram Source: az417944.vo.msecnd.net Exmark Lazer Z Ignition Switch Wiring Diagram Source: easyautodiagnostics.com. MUST-KNOW TIPS FOR DO-IT-YOURSELF ELECTRICAL WIRING PLUS CHANGING 1. Have the right tools handy. Just like any other DIY job, you want to be sure you have the right tools to do the job. They might include a multimeter, a non-contact voltage ...
Exmark Las28ka604 Exmark 60 Lazer Z As Zero Turn Mower 28hp Kawasaki Sn 720000 789999 2008 Kawasaki Electrical Diagram Parts Lookup With Diagrams Partstree
Exmark mower part diagram 48 belt wiring hub lazer z get free image about oem spec replacement belt for exmark 706087 1 633127 lazer z 60 exmark pioneer s series mower overview shank lawn blog 48 inch parts belt diagram exmark drive belt diagram beautiful encore zero turn basic guide wiring of.
Stens New Ignition Switch For Exmark Lazer Z Serial No 920 000 And Higher Serial No 850 430 120 The Home Depot
Exmark LAS25KC604 (SN 670,000-719,999) [2007] Exploded View parts lookup by model. Complete exploded views of all the major manufacturers. It is EASY and FREE
Exmark Lazer Z Lc S N 540 000 599 999 Lz27lka604 S N 540 000 599 999 2005 Late Lz27lka724 S N 540 000 599 999 2005 Late Kawasaki Electrical Diagram
Exmark Lazer Z Wiring Schematic. Assortment of exmark lazer z wiring schematic. A wiring diagram is a streamlined conventional photographic representation of an electric circuit. It shows the elements of the circuit as simplified shapes, as well as the power and signal links between the devices. A wiring diagram generally gives info concerning the family…
Exmark Lhp4419ka Exmark 44 Lazer Z Hp Zero Turn Mower 19hp Kawasaki Sn 260000 319999 2001 Kawasaki Electrical Diagram Parts Lookup With Diagrams Partstree
exmark lazer z parts diagram is one of the pictures we found on the web from reliable sources. We choose to explore this exmark lazer z parts diagram image in this post just because according to data coming from Google search engine, It really is one of many best searches keyword on google.
Exmark Lazer Z Starter Wiring Diagram. abby.kulas September 8, 2021 Templates No Comments. 21 posts related to Exmark Lazer Z Starter Wiring Diagram. Exmark Lazer Z 52 Wiring Diagram. Exmark Lazer Z Xs Wiring Diagram. 2006 Exmark Lazer Z 60 Wiring Diagram. 67 Mustang Starter Wiring Diagram.
Exmark Lz23lka604 Exmark 60 Lazer Z Zero Turn Mower 23hp Kawasaki Sn 260000 319999 2001 Kawasaki 23 Hp Liquid Cooled Electrical Diagram Parts Lookup With Diagrams Partstree
Exmark LHP4819KA (SN 190,000-219,999) [1999] Electrical Group Exploded View parts lookup by model. Complete exploded views of all the major manufacturers. It is EASY and FREE
Exmark Lazer Z Wiring Diagram – wiring diagram is a simplified tolerable pictorial representation of an electrical circuit. It shows the components of the circuit as simplified shapes, and the capability and signal links between the devices. A wiring diagram usually gives recommendation approximately the relative point and deal of devices and ...
Exmark Lazer Z Xs Air Cooled S N 720 000 Up Lxs35bv605 S N 720 000 Up Lxs35bv665 S N 720 000 Up Lxs35bv725 S N 720 000 Up Electrical Diagram
Big wires are right. For the small wires make sure the ground is on one side, and the signal wire on the other side. I dont know the machine so I dont know what wires are what. Just follow where they go to find out, or find the wiring diagram from the exmark site. The manual should be there.
Exmark Lz22kc603 Exmark 60 Lazer Z Zero Turn Mower 22hp Kohler Sn 150000 189999 1998 Electrical Diagram Parts Lookup With Diagrams Partstree
Find your exmark lazer z wiring diagram here for exmark lazer z wiring diagram and you can print out. Search for exmark lazer z wiring diagram here and subscribe to this site exmark lazer z wiring diagram read more!
Exmark Lazer Z key switch would turn engine over. Pull up the parts manual and look at the wiring diagrams, the yellow wire goes to the start. Displaying Electrical Group parts for the eXmark Lazer Z - Exmark Lazer Z Zero- Turn Mower (SN: ). Browse all parts by section for this model. Exmark Lawn Mower Ignition, Safety, PTO & Kill Switches.
Exmark Lhp4820kc Exmark 48 Lazer Z Hp Zero Turn Mower 20hp Kohler Sn 370000 439999 2003 Electrical Diagram Kohler Parts Lookup With Diagrams Partstree
Exmark zero turn riding mower operating manual frontrunner. Exmark Parts Diagram Wiring Diagram Frontier Wiring Diagram Scag. Exmark Qst20be422 Exmark 42 Quest Zero Turn Mower 20hp Briggs. Exmark Lazer Wiring Diagram Electronic Schematics Collectionsexmark.
Exmark Lazer Z Key Switch Can You Help Me Determine What Color Wires Go Where I Have An Orange Black Yellow And
Exmark Lazer Z As S N 600 000 669 999 Las23kc524 S N 600 000 669 000 2006 Las25kc604 S N 600 000 669 000 2006 Kohler Electrical Diagram
Exmark Lazer Z As S N 600 000 669 999 Las25kc604 S N 600 000 669 000 2006 Las23kc524 S N 600 000 669 000 2006 Kohler Electrical Diagram Shanks Lawn
Exmark Lazer Z Xp S N 260 000 319 999 Lz27dd724 S N 260 000 319 999 2001 Lz31dg604 S N 260 000 319 999 2001 Lz31dg724 S N 260 000 319 999 2001 Lz27dd604 S N 260 000 319 999 2001 27 Hp Diesel Electrical Logic Schematic Shanks Lawn
430 334 Stens Ignition Switch Fits Toro 104 2541 88 9830 103 0206 109 4736 Exmark 103 0206 88 9830 104 2541 109 4736 Worldlawn 5208003
Schematics Electrical Diagram Kohler Ignition Switch Exmark Lazer Z Hp 565 User Manual Page 42 48 Original Mode
0 Response to "38 exmark lazer z wiring diagram"
Post a Comment