Iklan 300x250

36 troy bilt steering diagram

Troy Bilt TB46 (13AL78KT066) (2017) Steering Exploded View parts lookup by model. Complete exploded views of all the major manufacturers. Troy Bilt TB30R (13CC26JD011) (2016) Steering Exploded View parts lookup by model. Complete exploded views of all the major manufacturers.

Lookup Parts by Diagram. Use our parts diagram tool below to find the parts you need for your machine. Select the model and year, then browse the parts diagrams to find the right part. Add to cart when you're ready to purchase and we'll ship it to you as soon as possible! Financing Now Available for Online Purchases.*. Learn More.

Troy bilt steering diagram

Troy bilt steering diagram

Yes, printed Troy-Bilt Operator's Manuals, Illustrated Parts Lists and Troy-Bilt / MTD Engine Manuals are available for purchase. The price for a pre-printed manual is typically less than $20+s/h, but can range up to $45+s/h for larger documents. To order a pre-printed Troy-Bilt manual, have your Model & Serial Number handy and call our ... Troy Bilt 13WM77KS011 Pony (2015) Front End Steering Exploded View parts lookup by model. Complete exploded views of all the major manufacturers. Troy Bilt 13YX79KT011 Horse XP (2015) Front End Steering Exploded View parts lookup by model. Complete exploded views of all the major manufacturers. It is EASY and FREE

Troy bilt steering diagram. Troy-Bilt 13A726JD023 TB30R (2020) Steering. Change Assembly. This space unintentionally left blank (403 Forbidden). Diagrams Shown are for U.S. Models. Steering shaft, 5/8" spline 21.86" shaft. Troy-Bilt Lawn Mower Ball Joint Assembly. Genuine OEM Part # 923-0448A | RC Item # 1606406. Watch Video. $18.95. ADD TO CART. Lawn mower lock ball joint assembly. 7/16" in diameter, 20 threads. If the ball joint is broken, the lawn mower will be difficult to steer. Troy-Bilt Lawn Mower Pinion Gear. 13AN77KG011 Pony (2008) Steering & Front Axle · 1. Steering Gear Assembly. 61704024A. Steering Gear Assembly. $35.52 · 2. Hex Screw. 7100376. Hex Screw. $2.65 · 3. Is your Troy Bilt lawn tractor steering skipping/popping and the tires not turning? Here is how you fix that!Bearing Hex Flange - https://amzn.to/2J6uywDChec...

Fix yours with this part from Amazon: http://amzn.to/2D9aaXv A way to fix the steering on your Troy Bilt riding mower if the steering is slipping. I flatten... Troy Bilt 13WN77KS011 Pony (2011) Steering Assembly Exploded View parts lookup by model. Complete exploded views of all the major manufacturers. Troy Bilt 13WV78KS011 Bronco (2015) Front End Steering Parts Diagram. Troy Bilt Horse XP (13YX79KT011) (2016) Steering Exploded View parts lookup by model. Complete exploded views of all the major manufacturers. It is EASY and FREE

Explore Service & Parts. Troy-Bilt parts give you a genuine advantage: the confidence of using parts specifically designed for a exact fit, optimal performance and maximum safety. These are the only parts with the in-depth engineering and rigid testing that assures long-lasting quality. Part Finder. Shop Parts. Troy Bilt 13WN77KS011 Pony (2013) Steering Assembly Exploded View parts lookup by model. Complete exploded views of all the major manufacturers. Troy Bilt 13CX79KT011 Horse XP (2015) Front End Steering Exploded View parts lookup by model. Complete exploded views of all the major manufacturers. Steering & Front Axle diagram and repair parts lookup for Troy-Bilt 13YX78KS011 - Troy-Bilt Bronco Lawn Tractor (2013) Order Status Customer Support 512-288-4355 My Account Login to your PartsTree.com to view your saved list of equipment.

Troy Bilt 13039 16hp Hydro Garden Tractor S N 130390100101 Steering Assembly

Troy Bilt 13039 16hp Hydro Garden Tractor S N 130390100101 Steering Assembly

Troy Bilt 13YX79KT011 Horse XP (2015) Front End Steering Exploded View parts lookup by model. Complete exploded views of all the major manufacturers. It is EASY and FREE

Troy Bilt 52067 5 Hp Trimmer Mower Lower Steering Assembly

Troy Bilt 52067 5 Hp Trimmer Mower Lower Steering Assembly

Troy Bilt 13WM77KS011 Pony (2015) Front End Steering Exploded View parts lookup by model. Complete exploded views of all the major manufacturers.

Troy Bilt Gtx2446 Left Front Tie Rod End With Ball Joint Drag Link Horse Bronco For Sale Online Ebay

Troy Bilt Gtx2446 Left Front Tie Rod End With Ball Joint Drag Link Horse Bronco For Sale Online Ebay

Yes, printed Troy-Bilt Operator's Manuals, Illustrated Parts Lists and Troy-Bilt / MTD Engine Manuals are available for purchase. The price for a pre-printed manual is typically less than $20+s/h, but can range up to $45+s/h for larger documents. To order a pre-printed Troy-Bilt manual, have your Model & Serial Number handy and call our ...

Troy Bilt 13cc26jd011 Tb30r 2018 Steering Shank 39 S Lawn Troy Bilt

Troy Bilt 13cc26jd011 Tb30r 2018 Steering Shank 39 S Lawn Troy Bilt

Troy Bilt 13aja1bz066 Troy Bilt Super Bronco Xp 50 Lawn Tractor 2019 Steering Parts Lookup With Diagrams Partstree

Troy Bilt 13aja1bz066 Troy Bilt Super Bronco Xp 50 Lawn Tractor 2019 Steering Parts Lookup With Diagrams Partstree

Troy Bilt 13wn77ks011 Pony 2011 Steering Assembly Shank 39 S Lawn Troy Bilt

Troy Bilt 13wn77ks011 Pony 2011 Steering Assembly Shank 39 S Lawn Troy Bilt

Troy Bilt 52056 5 Hp Trimmer Std Lower Steering Assembly

Troy Bilt 52056 5 Hp Trimmer Std Lower Steering Assembly

Troy Bilt 13cx79kt011 Troy Bilt Horse Xp Lawn Tractor 2016 Steering Wheel Parts Lookup With Diagrams Partstree

Troy Bilt 13cx79kt011 Troy Bilt Horse Xp Lawn Tractor 2016 Steering Wheel Parts Lookup With Diagrams Partstree

Steering Assembly 918 04634a Troy Bilt Us

Steering Assembly 918 04634a Troy Bilt Us

Troy Bilt 13wn77ks011 Pony 2011 Parts Diagram For Steering Assembly

Troy Bilt 13wn77ks011 Pony 2011 Parts Diagram For Steering Assembly

Troy Bilt 13wn77ks011 Pony 2013 Parts Diagram For Steering Assembly

Troy Bilt 13wn77ks011 Pony 2013 Parts Diagram For Steering Assembly

Troy Bilt 13wx79bt011 Troy Bilt Horse Lawn Tractor 2017 Steering Wheel Parts Lookup With Diagrams Partstree

Troy Bilt 13wx79bt011 Troy Bilt Horse Lawn Tractor 2017 Steering Wheel Parts Lookup With Diagrams Partstree

Steering Problems On Troybilt Bronco My Tractor Forum

Steering Problems On Troybilt Bronco My Tractor Forum

Troy Bilt 13103 13 5hp Ltx Hydro Lawn Tractor S N 131030100101 Steering Assembly

Troy Bilt 13103 13 5hp Ltx Hydro Lawn Tractor S N 131030100101 Steering Assembly

Troy Bilt Super Bronco 50 13wqa2kq011 2017 Parts Diagram For Steering

Troy Bilt Super Bronco 50 13wqa2kq011 2017 Parts Diagram For Steering

Steering Upgrade Kit For Troy Bilt Lawn Tractors Ebay

Steering Upgrade Kit For Troy Bilt Lawn Tractors Ebay

Troy Bilt 46 Inch Riding Mower Belt Diagram Wiring Site Resource

Troy Bilt 46 Inch Riding Mower Belt Diagram Wiring Site Resource

Troy Bilt 13wv78ks011 Bronco 2014 Front End Steering Shank 39 S Lawn Troy Bilt

Troy Bilt 13wv78ks011 Bronco 2014 Front End Steering Shank 39 S Lawn Troy Bilt

Troy Bilt 13wqa2kq011 Super Bronco 50 2015 Parts Diagram For Steering

Troy Bilt 13wqa2kq011 Super Bronco 50 2015 Parts Diagram For Steering

Troy Bilt 13at91kt066 Tb2246 2013 Steering Axle

Troy Bilt 13at91kt066 Tb2246 2013 Steering Axle

Www Mymowerparts Com For Discount Troy Bilt Parts Call 606 678 9623 Or 606 561 4983 Manualzz

Www Mymowerparts Com For Discount Troy Bilt Parts Call 606 678 9623 Or 606 561 4983 Manualzz

Troy Bilt 13105 Ltx Hydro Lawn Tractor S N 131050100101 Steering Assembly Shank 39 S Lawn Troy Bilt

Troy Bilt 13105 Ltx Hydro Lawn Tractor S N 131050100101 Steering Assembly Shank 39 S Lawn Troy Bilt

Troy Bilt 13b226jd066 Tb30 2015 Tb30r Neighborhood Rider 13b226jd066 2015 Parts Diagram For Front End Steering

Troy Bilt 13b226jd066 Tb30 2015 Tb30r Neighborhood Rider 13b226jd066 2015 Parts Diagram For Front End Steering

Amazon Com Mtd Genuine Part 617 04024a Genuine Parts Gear Steering Assembly Oem Part For Troy Bilt Cub Cadet Craftsman Bolens Remington Ryobi Yardman Yard Machi Patio Lawn Garden

Amazon Com Mtd Genuine Part 617 04024a Genuine Parts Gear Steering Assembly Oem Part For Troy Bilt Cub Cadet Craftsman Bolens Remington Ryobi Yardman Yard Machi Patio Lawn Garden

Troy Bilt 13b226jd066 2013 Tb30 R Neighborhood Rider 13b226jd066 2013 Parts Diagram For Front End Steering

Troy Bilt 13b226jd066 2013 Tb30 R Neighborhood Rider 13b226jd066 2013 Parts Diagram For Front End Steering

Troy Bilt Bronco Parts Diagram Wiring Site Resource

Troy Bilt Bronco Parts Diagram Wiring Site Resource

Troy Bilt 13wx78ks211 Bronco 2010 Parts Diagram For Steering

Troy Bilt 13wx78ks211 Bronco 2010 Parts Diagram For Steering

Troy Bilt 13yx79kt011 Horse Xp 2014 Parts Diagram For Front End Steering

Troy Bilt 13yx79kt011 Horse Xp 2014 Parts Diagram For Front End Steering

Troy Bilt 13cx79kt011 Horse Xp 2015 Parts Diagram For Front End Steering

Troy Bilt 13cx79kt011 Horse Xp 2015 Parts Diagram For Front End Steering

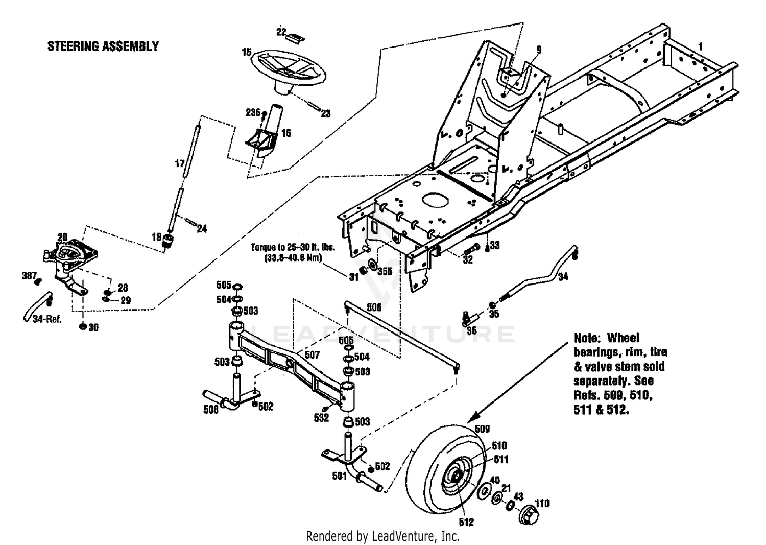
Troy Bilt Tb46 13al78kt066 2017 Parts Diagram For Steering

Troy Bilt Tb46 13al78kt066 2017 Parts Diagram For Steering

Troy Bilt 13an77kg011 Pony 2008 Steering Amp Front Axle Shank 39 S Lawn Troy Bilt

Troy Bilt 13an77kg011 Pony 2008 Steering Amp Front Axle Shank 39 S Lawn Troy Bilt

Troy Bilt 13wn77bs011 Troy Bilt Pony Lawn Tractor 2017 Steering Parts Lookup With Diagrams Partstree

Troy Bilt 13wn77bs011 Troy Bilt Pony Lawn Tractor 2017 Steering Parts Lookup With Diagrams Partstree

Troy Bilt Lawn Tractor Tb2246 Ereplacementparts Com

Troy Bilt Lawn Tractor Tb2246 Ereplacementparts Com

Troy Bilt 13bx60tg766 Super Bronco 07 Lawn Tractor Partswarehouse

Troy Bilt 13bx60tg766 Super Bronco 07 Lawn Tractor Partswarehouse

42 Inch

42 Inch

Troy Bilt 13wn77ks011 Pony 2011 Steering Assembly Shank 39 S Lawn Troy Bilt

Troy Bilt 13wn77ks011 Pony 2011 Steering Assembly Shank 39 S Lawn Troy Bilt

0 Response to "36 troy bilt steering diagram"

Post a Comment

Iklan Atas Artikel

Iklan Tengah Artikel 1

Iklan Tengah Artikel 2

Iklan Bawah Artikel