36 briggs and stratton transfer switch wiring diagram
Briggs & Stratton 1679-0 Manual Online: Transfer Switch Wiring Diagram. 25... Installation Manual. Questions? Help is just a moment away! ... Thank you for your purchase of this Briggs & Stratton® automatic transfer switch.44 pages
Name: briggs and stratton transfer switch wiring diagram – Briggs And Stratton Power Products 00 10 000 Watt Standby Tearing Transfer Switch Wiring File Type: JPG Source: britishpanto.org

Briggs and stratton transfer switch wiring diagram
Briggs And Stratton Wiring Diagram – briggs and stratton wiring diagram, briggs and stratton wiring diagram 12.5 hp, briggs and stratton wiring diagram 12hp, Every electric structure is composed of various distinct pieces. Each part ought to be set and connected with different parts in specific way. If not, the structure will not work as it ought to be. You never have to look far to find Briggs & Stratton support and service for your system. Consult your Yellow Pages. ... Transfer Switch Wiring Diagram .16 pages Page 1 Home Generator Systems Installation & Operator’s Manual 200 Amp Automatic Transfer Switch with AC Power Control Module ™ Manual No. 195114GS Rev. - (12/11/07) ; Page 2: Transfer Switch Thank you for your purchase of this Briggs & Stratton Power Products Automatic Transfer Switch. This product is intended for use with Briggs & Stratton Home Standby Generator sets and therefore may ...
Briggs and stratton transfer switch wiring diagram. Wiring Size 8 18 UL Listed Yes Yes Communication ZIgbee ZIgbee * See operator’s manual or www.briggsandstratton.com for complete warranty details. Review local codes to determine if a transfer switch with separate service entrance disconnect is required. Briggs & Stratton reserves the right to make changes in specifications and features shown ... Briggs And Stratton Power Products 071044 01 200 Amp Automatic Transfer Switch W Accm Parts Diagrams. Transfer Switch Manual Panel Wiring Diagram China 208v Auto Switchautomatic Swit Automatic Made In Com. Rlc1 200 Eaton Cutler Hammer 200a Automatic Transfer Switch With Optional Service Disconnect. Ge 100 Amp 240 Volt Non F Emergency Power ... Briggs and Stratton Transfer Switch Wiring Diagram Sample. Variety of briggs and stratton transfer switch wiring diagram. A wiring diagram is a simplified conventional pictorial depiction of an electric circuit. It shows the components of the circuit as streamlined forms, and also the power and also signal connections between the devices. A wiring diagram normally gives info concerning… Briggs and Stratton Power Products 071023-0 - 200 Amp Automatic Transfer Switch w/SED Wiring Diagram - Transfer Switch Exploded View parts lookup by model.
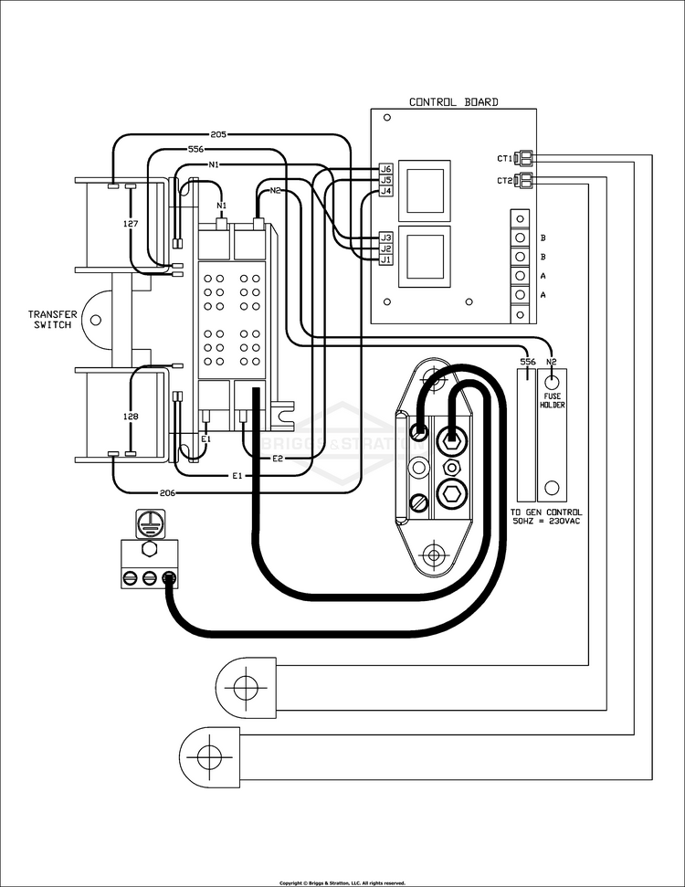
Briggs & Stratton sells electrical components only for engines. If you are replacing or rebuilding parts of the small engine on your lawn mower, snow blower or other outdoor power equipment, the basic schematics or wiring diagrams of our alternator systems are available in our guides below: In addition to wiring diagrams, these guides also ... Major components of the transfer switch are a 2 pole utility disconnect circuit breaker, a 2 pole generator disconnect circuit breaker, a 2 pole double throw transfer switch, transfer switch control circuit board, Symphony II power management system control circuit board, fused utility terminals and interconnecting wiring. Briggs and stratton transfer switch wiring diagram. 1938 portable generator pdf manual download. Page 1 installation operators manual 200 amp automatic transfer switch with service disconnect and ac control module. Some top load washers use a direct drive motor coupling to transfer power from the motor to the transmission. Diagram wiring mounting generator transfer switch generac ats full version hd quality residential with convertor china 3p 630a automatic for portable changeover briggs and stratton power products 040385 01 20 000 watt home standby 200 amp load control module ge parts del 26072018021729 040449 00 10 100 2p 100a single phase wireswiring diagrams switches how to connect a… Read More »
You never have to look far to find Briggs & Stratton support and service for ... Transfer Switch Schematic Diagram .... Transfer Switch Wiring Diagram .24 pages Page 1 Home Generator Systems Installation & Operator’s Manual 200 Amp Automatic Transfer Switch with AC Power Control Module ™ Manual No. 195114GS Rev. - (12/11/07) ; Page 2: Transfer Switch Thank you for your purchase of this Briggs & Stratton Power Products Automatic Transfer Switch. This product is intended for use with Briggs & Stratton Home Standby Generator sets and therefore may ... You never have to look far to find Briggs & Stratton support and service for your system. Consult your Yellow Pages. ... Transfer Switch Wiring Diagram .16 pages Briggs And Stratton Wiring Diagram – briggs and stratton wiring diagram, briggs and stratton wiring diagram 12.5 hp, briggs and stratton wiring diagram 12hp, Every electric structure is composed of various distinct pieces. Each part ought to be set and connected with different parts in specific way. If not, the structure will not work as it ought to be.
Briggs And Stratton Power Products 071021 0 200 Amp Automatic Transfer Switch W Accm2 Mld Parts Diagram For Wiring Diagram Transfer Switch
Briggs And Stratton Power Products 071023 0 200 Amp Automatic Transfer Switch W Sed Parts Diagram For Wiring Diagram Transfer Switch
Briggs Amp Stratton Power Products Del 26072017021729 071049 00 200 Amp Automatic Transfer Switch Wiring Diagram Transfer Switch
Briggs And Stratton Power Products 040401 01 16 000 Watt Bspp Home Generator System With 200 Amp Ats Parts Diagram For Wiring Diagram Transfer Switch
Briggs Stratton 071071 02 Briggs Stratton 100 Amp Automatic Transfer Switch Wiring Diagram 80011233wd Parts Lookup With Diagrams Partstree
Briggs Stratton Power Products 071055 01 100 Amp Automatic Transfer Switch W Accm Wiring Diagram Transfer Switch Shank 39 S Lawn Troy Bilt
Briggs And Stratton Power Products 040455 00 10 000 Watt Standby Generator With 200 Amp Ats Briggs Stratton Parts Diagram For Wiring Diagram Transfer Switch 195746wd
Briggs And Stratton Manual Transfer Switch Kit Briggs Stratton Generator Best Sellers Generator Parts Accessories
Installation Start Up And Owner S Manual Manual De Instalacion Arranque Y Propietario Manuel D Installation Demarrage Et Utilisateur Pdf Telechargement Gratuit
Briggs Stratton Power Products 071009 1 200 Amp Automatic Transfer Switch W Accm Nema1 Wiring Diagram Transfer Switch Shank 39 S Lawn Troy Bilt
Briggs Amp Stratton Power Products Del 26072017021729 071047 00 100 Amp Automatic Transfer Switch Wiring Diagram Transfer Switch
071060 0 Briggs And Stratton Transfer System 100 Amp Automatic Transfer Switch W Accm Partswarehouse
0 Response to "36 briggs and stratton transfer switch wiring diagram"
Post a Comment