35 cub cadet lt1050 deck belt diagram
7:54Cub Cadet LTX 1050 breaking deck belts. Theses are the adjustments I made.8 Oct 2019 · Uploaded by Todd's Carb and Repair Cub cadet outdoor power equipment is some of the most reliable on the market. Outdoor gasoline and electric powered equipment and small engines cub cadet ltx 1050 drive belt replacement i have a couple of questions about replacing the drive belt. Deck idler pulley belt. Do you have instructions and a diagram answered by a verified technician.
MTD/ Cub Cadet/ White LT1050 (w/ 50" deck) Riding Lawn Mower Replacement Drive Belt Original Equipment Manufacturer MTD/ Cub Cadet/ White OEM Part Number 75404077 Machine Riding Lawn Mower Model LT1050 (w/ 50" deck) Belt Type 5LK/BK Kevlar VBG Replacement Id APPL684169 Technical Specifications: (Inches) (mm) Outside Circumference 134.00 3403.60

Cub cadet lt1050 deck belt diagram
Cub cadet drive belt diagram. Watch this video to learn how to replace the deck belt on this cub cadet riding lawn mower. My cub is a model 1527 but i am sure it is very similar to the other cub cadet models. Expose the remainder of the belt by lifting the engine a little by prizing it up carefully using a pry bar. Cub Cadet repair parts and parts diagrams for Cub Cadet LT 1050 (13AP11CP756) - Cub Cadet 50" Lawn Tractor (2007 & Before) Order Status Customer Support 512-288-4355 My Account Login to your PartsTree.com to view your saved list of equipment. To find the right belt, browse our top-selling belts or use our parts finder tool. Reassemble the mower deck by following the previous directions in reverse order. Step 3 - Reattach the deck to the riding mower and route the deck belt. Find great deals on eBay for cub cadet lt drive belt.
Cub cadet lt1050 deck belt diagram. Your new deck belt will go around the pulleys, in accordance to this diagram: The problem Cub is having with belt breakage is overloading of the belt due to excessive tension. May 12, · Cub Cadet, LTX VT, deck belt replacement The problem is, when I was removing the old one, it was routed under the spring bracket for the idler pulleys. 2:59How to Change the Deck Belt on a Cub Cadet Riding Lawn Mower Using Model 13AK92AK010. 59,934 ...1 Jan 2016 · Uploaded by infoperasns 3:01How to Change the Deck Belt on a Cub Cadet Riding Lawn Mower Using Model 13AP91AT010. 240,187 ...1 Jan 2016 · Uploaded by infoperasns http://www.partstree.com/parts/ Click on the Cub Cadet logo then enter your model number. All the diagrams are there. Posted on Jun 11, 2009. 0.1 answer · 1 vote: http://lawnandgarden.manualsonline.com/manuals/mfg/cub_cadet/lt1050_1.html?p=29
18.03.2019 18.03.2019 7 Comments on Drive Belt Diagram For Cub Cadet Lt1050. schematron.org - Order Genuine Cub Cadet Parts for the Cub Cadet LT Tractor Deck Belt. Not available. Cub Cadet C. Blades. More details. I have to change the xmsn drive belt on a cub cadet LT . Also, my belt was gone when I started and the diagram on the manual was. Cub cadet lt1050 mower belt diagram · Discussion Starter · #1 · Jun 25, 2011 Please Help! I am new to the forum so forgive me if I ask a question that there may already be an answer to, in the forum. I have a 2005 Cub Cadet LT1050 riding mower. It recently threw the dilapidated drive belt. 4:04How to Change the Deck Belt on a Cub Cadet Riding Lawn Mower Using Model 13VR91AP010. 16,127 ...1 Jan 2016 · Uploaded by infoperasns 1 Feb 2008 — CUB CADET LLC, P.O. BOX 361131 CLEVELAND, OHIO 44136-0019. Printed In USA ... Engine To Deck/Deck Spindle Belt 954-04164 Deck Spindles.52 pages
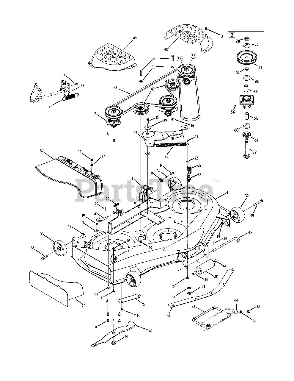
6:16How to install a new drive belt on the Cub Cadet LTX1050KW.Be careful when ordering a belt because there ...13 Apr 2019 · Uploaded by LonnieJohnson1 Cub Cadet Parts Diagrams, Cub Cadet LT1050 Tractor (2007 & before) 13AP11CP709 13AP11CP710 13AP11CP756 13AQ11CP709 13AQ11CP710 13AQ11CP712 13RP11CP756 .Quick Reference ... Mower Deck 50 inch 618-04126 spindle SN 1I146H & after Mower Deck 50 inch 618-04129A spindle ... Mower Deck 50-Inch diagram and repair parts lookup for Cub Cadet LT 1050 (13AQ11CP010) - Cub Cadet 50" Lawn Tractor (2008 & After) Order Status Customer Support 512-288-4355 My Account Login to your PartsTree.com to view your saved list of equipment. To find the right belt, browse our top-selling belts or use our parts finder tool. Reassemble the mower deck by following the previous directions in reverse order. Step 3 - Reattach the deck to the riding mower and route the deck belt. Find great deals on eBay for cub cadet lt drive belt.
Cub Cadet repair parts and parts diagrams for Cub Cadet LT 1050 (13AP11CP756) - Cub Cadet 50" Lawn Tractor (2007 & Before) Order Status Customer Support 512-288-4355 My Account Login to your PartsTree.com to view your saved list of equipment.
Amazon Com Caltric Deck Belt Compatible With Husqvarna Lth130 Lth140 Lth145 Srd17530 Tc130 Yt150 Yt190 Patio Lawn Garden
Cub cadet drive belt diagram. Watch this video to learn how to replace the deck belt on this cub cadet riding lawn mower. My cub is a model 1527 but i am sure it is very similar to the other cub cadet models. Expose the remainder of the belt by lifting the engine a little by prizing it up carefully using a pry bar.
Cub Cadet Lt1050 Tractor 2008 After 13aq11cp009 13aq11cp010 13aq11cp056 13aq11cp256 13rq11cp056 13rq11cp256 Drive System
Stens New Oem Replacement Belt For Cub Cadet 70 86 123 And 169 Ih 490489 R2 490489 R2 265 037 The Home Depot
Buy 8ten Drive Belt For Mtd Cub Cadet Lt1042 Lt1046 Lt1050 Slt1554 Lt1045 Troy Bilt Horse 954 04165 754 04165 Online In Uk B07rv5b8mb
Cub Cadet Lt 1050 13aq11cp010 Cub Cadet 50 Lawn Tractor 2008 After Mower Deck 50 Inch Parts Lookup With Diagrams Partstree
954 04077a Riding Mower 50 Inch Deck Belt Replacement For Cub Cadet Lt1050 Compatible With 754 04077 Drive Belt Walmart Com
0 Response to "35 cub cadet lt1050 deck belt diagram"
Post a Comment