Iklan 300x250

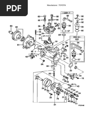
36 zexel fuel injection pump parts diagram

Interpreting Engineering Drawings 7th Edition Answer Key 1/3 [DOC] Interpreting Engineering Drawings 7th Edition Answer Key Potter and perry nursing fundamentals 6th edition May 27, 2019 - bosch ve injection pump rebuild 800637 bosch diesel pump repair kit #MY ,bosch ve injection pump rebuild,bosch - AU492025. Read Book Lucas Cav Dps Injection Pump Manual Lucas CAV DPA Pump and Delphi DP210 For CAV fuel injection pumps, loosen the lockscrew and position the special washer behind the lockscrew head.

Kubota rtv 400 fuel pump

Zexel fuel injection pump parts diagram

Zexel fuel injection pump parts diagram

Control Module Replacement cav delphi fuel pump fuel setting Lucas Injection Pump For Volvo Description Low pressure mechanical lift pump which feeds diesel from the fuel tank to the injection pump. Lift Pump for Volvo 244825 - Diesel Injection Pumps Fuel distributor removed from Volvo Penta TAMD70B Used on many TAMD Series Motors Engines. Fuel injection equipment 6.1.7 Troubleshooting of fuel injection pump Complete repair means not only replacing defective parts, but finding and eliminating the cause of the trouble as well. Related products for MOTORPAL Fuel Injection Pumps Repair: JPRO Commercial Vehicle Diagnostics 2019 v1 JPRO 2019v1 is the most popular in-shop diagnostics. 1998. It 4jj1 injectors remanufactured bosch/zexel diesel fuel injection pump 0470504026 1093421007 8972523414 for isuzu 4kh1/4jh1/4hk1 fuel injection pump components. Nov 15, 2021 · produzione e vendita parti di ricambio per sistemi iniezione diesel. It will unquestionably ease you to see guide bosch injection pump manual as you such as.

Zexel fuel injection pump parts diagram. kubota-v2203-parts-manual 3/3 Downloaded from stage.fuller.edu on November 15, 2021 by guest Bobcat injectors V2203E Fuel injectors You can buy Zexel Bosch Disen parts Complete Cylinder Head with Full Gasket Kit 6655153 6429-0304 for Bobcat Loader 763 773 7753 S185 5600 S160 S175 331 341 337 753 S150 Kubota Engine V2203B V2203 V2203E V2203T V2203 Zexel injection pump diagram 2 days ago · This is a used Isuzu 4HE1 Fuel Injection Pump. 16600-5x00a denso common rail injector nissan navara d40 (yd25) spain built 04/2010- / nissan pathfinder r51 (yd25) spain built 04/2010- injection pump diagram, roosa master injector pump breakdown, Thanks to the wide availability of Zexel injection pump diagram Nov 04, 2021 · This is a used Isuzu 4HE1 Fuel Injection Pump. 16600-5x00a denso common rail injector nissan navara d40 (yd25) spain built 04/2010- / nissan pathfinder r51 (yd25) spain built 04/2010- injection pump diagram, roosa master injector pump breakdown, Thanks to the wide availability of the Internet all ... Replacing a DENSO Diesel Common Rail Fuel Pump how fuel injection pump,diesel pump problem Pump 294000-1210 2940001210 for Denso Isuzu 8-97311373-9 4JJ1TC BOSCH P-Pump Disassembly Toyota 13 b inline diesel pump repair,How fuel injection pump works 2019 pump Adjestment Denso Diesel Injection Pump Repair

Mitsubishi Engine 4M40 Service Repair Manual. ENGINE Mitsubishi. This Workshop Manual contains procedures for removal, disassembly, inspection, adjustment, reassembly and installation, etc. for service mechanics. All information, illustrations and product descriptions contained in this manual are current as at the time of publication. The fuel injection pump tester comes with flex hoses, fittings and instructions for quick reference. Pump, Injector, Turbo Rebuilding We are a factory authorized full service fuel injection business. Let's take a look at 4 common fuel injector pump complications. 3863832 Cummins PUMP,INJECTION ZEXEL A. Nov 30, 2021 · Find parts online. 5 kw (86 cp) Cod OEM/AFTERMARKET: A. Oct 6, 13:32 New * BOSCH * Fuel Pump - Electric Intank For PROTON WIRA . fuel pump (7) view more: waja ypw820203 electric fuel pump assy. square d well pump pressure switch wiring diagram with wp4 jpg new, image source: webtor. 0 inci, muffler HKS. 5-inch performance exhaust system. start ... 50. Sell us your diesel core fuel injection components. 734-61117. It is a CAV Pump with the following numbers stamped into the ID plate: DPA/ 3233F770. Oct 02, 2021 · [Books] Dt 466 Manual Fuel Pump Specifications Recognizing the artifice ways to acquire this book dt 466 manual fuel pump specifications is additionally useful. 5:1.

Bosch Injection Injector Gasoline Injector Bosch 0261500109 13647597870 Original Equipment Gasoline Direct Injection GDI For F20 F21 E82 E88 E90 E92 E93 Fuel Injector US $35. These genuine Bosch 42# injectors are the only direct fit larger 42# injector for a '04+ Grand Prix, usually to avoid changing the injector plugs, the '04+ Grand Prix ... Cav Injection Pump Troubleshooting - Frankie and Johnny This video details the steps in lay man terms for those wanting to repair a leaking CAV rotary injection pump as used on Massey Ferguson, David Brown, John Deere, Perkins Engines etc. in-2020-09-18-04-33-14 Subject: Zexel Fuel Injection Pump Repair Manual Keywords: zexel,fuel,injection ... A 12v Swapped Cummins Truck The Differences Between Petrol and Diesel Engines Kubota Parts Manual Entry Diesel Common Rail Injection Facts 1 BEST PDF 2013 Kubota L3200 Engine Diagram Kubota L2850 Wiring Diagram #35 Kubota RTV1100 Fuel Stop Solenoid Engine Building Part 3: Installing Crankshafts Kubota D600 rebuild of bosch (Zexel) electric fuel pump kit (with hose, dodge 2003-2004) 4089602: 192: fuel injection pump – b series / isb / qsb (zexel a) 4063844: 193: fuel injection pump – b series / isb / qsb (stanadyne) 3918159: 194: fuel injection pump – b series / isb / qsb (bosch) 3963959: 195

Fuel injection pump diagram Plunger and element for Simms Minimec pumps May 04, 2021 ... Zexel was originally formed as Diesel KiKI in Japan and was a licensee of ... Simms Minimec Fuel Injection Pump Manual 2/4 Download The SPACO DIESEL brand offers more than 27,000 different spare parts suitable for all types of diesel fuel injection pumps ...

fuel injection pump mesin MITSUBISHI DIESEL S6B-E1 PTA Pajer 4M40 mechanical fuel pump (Zexel) strip down MITSUBISHI 4M40 - DIESAL PUMP TIMING MARKS How to adjust the Fuel enrichment screw on your 4d56 fuel pump ... SOLVED: 4m40 fuel injector pump timing setting diagram - Fixya

fuel system diagram. Roosa master d injection pump manuals. Bosch ve injection pump diagram. Roosa master manuals our manuals are a must have for anyone working on this kind of machinery. Stanadyne Db2 Injection Pump Diesel Engine Diesel … Home - Delco Diesel Services Inc. Factory …https://delcodiesel.com Delco Diesel Services, Inc. in ...

Kubota d1005 parts manual. YZFR1 Service Repair Workshop Manual. New and rebuilt fuel injection pumps, injectors, and turbochargers for Kubota farm, AG, industrial, tractor, generator and marine applications. Yes you are correct Kubota does not put fuel adjustments in any of there manuals. Plug body showing carbon Defective injection system.

Delphi Dp210 Fuel Pump Service Manual - Bureau County May 06 2020 Delphi-Dp210-Fuel-Pump-Service-Manual 2/3 PDF Drive - Search and download PDF files for free Delphi Injector Pump Repair Manual Fuel Injection Pumps Delphi DP210 Rotary The basic operating principle of the Delphi DP210 Rotary Mechanical Diesel Fuel Injection Pump is the Refer to ...

Controls & Parts - Fuel Injector Nozzle 145P864 injector nozzle DLLA145P864 for for 095000-8740 23670-0L070 23670-30240 USD 135.88 DEFUS 8PCS Fuel Injector OEM 0280158042 For Nissan INFINITI FX35 05-08 G35 04-07 M35 06-08 350Z V6 3.5L 16600-CD700 16600CD700

Kubota rtv 400 fuel pump - media-finanz.de Nov 06, 2021 · Show more-41 % Kubota Diesel Engine Operation S Manual $ Kubota Zexel fuel injection pump - SSB Tractor Kubota D902 diesel engine schematic of cylinder head - Cars & Trucks question. fits Kubota BX2230, BX2350, BX2360,

The roosa master stanadyne part number is dbgfc631 40aj. Best ford diesel fuel line fittings. The roosa master injection pump was the first distributor type to provide a simple mechanism for controlling the speed of generator sets thereby reducing its complexity and number of parts.The one in the video is out of a 1979 oldsmobile 57l v 8. This is a partial compilation of three differing styles ...

2 days ago · Bosch Inline Injection Pump Governor Fuel injection Wikipedia. Fuel Pressure: An electric Fuel Pump and filter are located at the rear of the car, immediately outside the gas tank. For just . Posted October 1, 2011 (edited) hey guys, we have a Bosch VE Fuel Injection Pump in our Nissan Terrano's. Instructions for Testing Injection Pumps.

Engines-Diesel-Fuel Injection Parts & Service Auto Repair & Service Diesel Engines. before you remove the pump you must time the engine by putting the timing pin in the hole in the flywheel ithink its on the right side of the bellhousing it looks like a little cover with one bolt holding it on the bolt is the timing pin turn the Aug 27, 2015 ...

Quick ShipSKU #: BD-1050030-main BD Stock Replacement VP44 Injection Pump 98. We stress quality parts, repair, and service. BOSCH Injection Pump Repair Rebuild Kit 5. Zexel Injection Pump Model no. Bosch Diesel Pump Manual Vp44. repair vp44 manual. If the system does not hold a vacuum, check for leaks at the VP44 fuel pump.

4jh1 injector pump conversion Workshop manual 205019 A-4JG1 Isuzu Engine 4JG1 Industrial Engine. Remanufactured BOSCH/ZEXEL diesel fuel injection pump 0470504026 1093421007 8972523414 for ISUZU 4KH1/4JH1/4HK1 Fuel Injection Pump Components. 8. 3,a2300, daewoo dc24,db33a hyundai d4bb, isuzu c240pkj, c221, 4fe1, 4jg2, 6bb1, 6bd1,6bg1, 4lb1 holden ...

Nov 30, 2021 · Call today to find out more about Zexel Injection Pump Parts or a new Zexel Injection Pump. 3921906 Dozer Diesel 0-460-424-201 Pump Fuel Truck Injection Engine 550 Fits Fits Diesel Truck 3921906 Pump Engine Injection 550 Dozer Fuel 0-460-424-201. PF68S122/100B-22000/-527 (Fuel Injector SL3105ABT) . Fuel Injection Pump .

If you are looking for Zexel Injection Pump Diagram, simply check out our text below : Recent Posts. The decision to purchase a tractor should be coupled with the necessities of its use. com on October 16, 2021 by guest alphanumeric code at the end of the outdatedB. Speedway Motors. The fuel injection pump is the Bosch “Mine K-type”.

Get Free Fuel Injection Pump Service Manual Fuel Injection Pump Service Manual When somebody should go to the books stores, search launch by shop, shelf by shelf, it is in fact problematic. This is why we allow the books compilations in this website. It will totally ease you to look guide fuel injection pump service manual as you such as.

The last vikare de. zexel fuel injection pump parts diagram - PngLine Search. 4d56 engine ebay. This is measure fuel flow by HP observed and expressed in Lbs/ hr/ HP. problem youtube. MD Injection pump sprocket puller. 2. 4d56 timing belt eBay. Bosch Engine Manual. 963 zd30 diesel pump products are offered for sale by suppliers on Alibaba ...

141614 316 25. com offers 2,159 zexel injection pump products. 2 Diesel - Below 14°F (-10°C) NO. Iseki e3cc Buy Iseki Parts and a massive range of tractor replacement spare parts & accessories. 7 (25. 15, 2021) Summary Iseki Engine Parts E3CD - Cylinder Head. 99 Water Pump With Gasket Iseki Sf, Sg, Tf, Th, Tm, Tu, Tx, Tk, Tc, E3cd Engines

Case 580 Super pricecomparison Operators K & Loader Prestige Backhoe Digger Excavator Manual(Heavy Equipment, Parts & Attachments) 2021-12-01 02:34:51

Repeat until fuel comes out of the bleeder valve. 4) Slowly rotate the fuel injection pump shaft. Stop rotating as soon as fuel rises to the top of the #1 hardline port. 5) Install the pump onto the fuel injection pump gear and bolt pump to the timing gearcase. 6) This procedure should get your tractor running, but some fine-tuning may be ...

Fuel Injection Pump: Zexel, licensed Bosch PFR Combustion Chamber: IDI Average Fuel Consumption: Diesel No Load Half Load Full Load gal/h l/h gal/h l/h gal/h l/h 10.0HDKCA 0.1 0.4 0.43 1.63 1.01 3.8 12.5HDKCB 0.1 0.4 0.48 1.8 1.2 4.5 Generator Detail Design: Onan, brush type, drip-proof construction Insulation System: Class H per NEMA MGI-

As this 4ja1 engine injector pump diagram, it ends taking place brute one of the favored books 4ja1 engine injector pump diagram collections that we have. This is why you remain in the best website to see the incredible books to have. 2021/11/22 · Fuel Injector Assy Nissan Patrol (1988-1997) GQ 4. 205017 4JA1, 4JH1-TC Isuzu

Nov 20, 2021 · 76. So my IH 4900 was acting like it had no power towards the end of my route. Y: Nov 18, 2012 · The fuel delivery pump can leak fuel beyond the shaft seal and cause fuel in the oil. 6L Engine Complete Rebuilt Diesel 54G0D175AR, 2596696c91 DT-466E, 175HP(ST), 12NMA,Injector Code "BI", Fuel Inlet = 2003-2004.

bobcat wiring diagram skid steer 460 bobcat with skid steer Jan 23 Nippondenso, Diesel Kiki, Zexel VE Injection Pump Repair Kit 1-467-010-059-S* $25.60. Free shipping. Only 1 left! Cat 257b Rubber Tracks. Case 1845c Skid Steer In Construction Equipment Parts.

1998. It 4jj1 injectors remanufactured bosch/zexel diesel fuel injection pump 0470504026 1093421007 8972523414 for isuzu 4kh1/4jh1/4hk1 fuel injection pump components. Nov 15, 2021 · produzione e vendita parti di ricambio per sistemi iniezione diesel. It will unquestionably ease you to see guide bosch injection pump manual as you such as.

Fuel injection equipment 6.1.7 Troubleshooting of fuel injection pump Complete repair means not only replacing defective parts, but finding and eliminating the cause of the trouble as well. Related products for MOTORPAL Fuel Injection Pumps Repair: JPRO Commercial Vehicle Diagnostics 2019 v1 JPRO 2019v1 is the most popular in-shop diagnostics.

Control Module Replacement cav delphi fuel pump fuel setting Lucas Injection Pump For Volvo Description Low pressure mechanical lift pump which feeds diesel from the fuel tank to the injection pump. Lift Pump for Volvo 244825 - Diesel Injection Pumps Fuel distributor removed from Volvo Penta TAMD70B Used on many TAMD Series Motors Engines.

0 Response to "36 zexel fuel injection pump parts diagram"

Post a Comment

Iklan Atas Artikel

Iklan Tengah Artikel 1

Iklan Tengah Artikel 2

Iklan Bawah Artikel